содержание
Введение
1 Способы построения аналоговых перемножителей
1.1 Логарифмическое суммирование
1.2 Перемножители на основе управляемых сопротивлений
1.3 Перемножители на управляемых дифференциальных делителях
тока
2 Перемножители на основе усилителей с переменной крутизной
2.1 Схемотехнические способы снижения погрешности
перемножения
2.1.1 Использование отрицательной обратной связи
2.1.2 Использование принципов компенсации нелинейности
2.1.3 Мостовые преобразователи «напряжение-ток»
3 Влияние объемных сопротивлений транзисторов на погрешность
перемножителя
4 Компенсация температурной погрешности
5 Управляемые напряжением четырехквадрантные перемножители
Выводы и рекомендации
Библиографический список
Введение
Аналоговые перемножители (АП) предназначены для операции перемножения двух аналоговых величин – токов или напряжений. На их основе могут быть построены схемы удвоителей частоты, балансных модуляторов, фазовых детекторов, смесителей, усилителей с электронной регулировкой усиления и многие другие радиотехнические и электротехнические схемы. В системах автоматического регулирования они могут выполнять функции перемножения и возведения в квадрат, а совместно с операционными усилителями выполнять деление, извлечение корней и выделение тригонометрических функций. По объёмам выпуска универсальных устройств аналоговые перемножители занимают третье место после операционных усилителей и стабилизаторов напряжения, поэтому их совершенствование идёт постоянно, причём преследуется несколько целей: повышение линейности перемножения, улучшение частотных свойств, понижение энергопотребления, расширение диапазона входных величин при неизменном напряжении питания, а также построение аналоговых перемножителей с низковольтным питанием без потери основных качественных параметров. Так как данный вид аналоговых устройств является универсальным, то для более полной совместимости и взаимозаменяемости морально устаревших схемотехнических конфигураций более новыми необходимо соблюдение такого параметра, как четырёхквадрантность. Это означает, что обе входные величины могут принимать как положительные, так и отрицательные значения. Таким образом, если одну входную величину отложить по оси Х
декартовой системы координат, а вторую – по оси У
, то перемножитель должен нормально функционировать во всех четырёх квадрантах получившейся системы.
Выполняемую перемножителем функцию можно представить как
U
ВЫХ
=
KUX
UY
,
где K
– масштабный коэффициент перемножения, имеющий размерность [1/В].
Идеальный перемножитель имеет бесконечное входное сопротивление, нулевое выходное сопротивление и частотно-независимый масштабный коэффициент, который не зависит ни от UX
, ни от UY
.
Его выходное напряжение равно нулю, когда хотя бы одно из входных напряжений равно нулю, т.е. напряжение смещения, дрейф и шум отсутствуют.
Реальные перемножители являются только приближениями идеального устройства, имеют конечные (не нулевые) значения напряжения смещения, дрейфа и шума, и что наиболее важно – зависимость масштабного коэффициента от входных напряжений и частоты. Для того чтобы погрешности перемножения, обусловленные неидеальностью масштабного коэффициента были приемлемыми, обычно выбирают достаточно большие уровни входных напряжений (до 10 В) при больших напряжениях питания (± 15 В).
1 Способы построения аналоговых перемножителей
До настоящего времени разработано большое число различных видов и типов перемножителей сигналов. Известны АП, использующие механические и электромеханические элементы (потенциометры, электродвигатели), магнитные свойства материалов (эффект Холла, магниторезисторы, магнитодиоды), электрические характеристики резисторов, диодов, транзисторов, электронных ламп.
Из множества известных способов построения аналоговых перемножителей наиболее приемлемыми являются следующие.
1.1 Логарифмическое суммирование
Структурная схема перемножителя логарифмического типа приведена на рисунке 1.1. В данной схеме используются логарифмические и антилогарифмический усилители. Схема обеспечивает логарифмирование входных сигналов Х
и У
с их последующим суммированием и потенцированием (антилогарифмированием) этой суммы. В результате по законам логарифмирования получается сигнал, пропорциональный произведению двух входных сигналов.
Для обозначений, принятых на рисунке 1.1, имеем:
,
,
тогда
,
где k
– коэффициент, обусловленный особенностями работы логарифматора; – конечный коэффициент, вносимый логарифматорами и антилогарифматором.

Рис. 1.1. Логарифмическое суммирование
Конкретная схемотехническая реализация АП данного типа не рассматривается, поскольку широко известна из технической литературы [1, 2].
Отметим только недостатки этого типа перемножителей, к которым можно отнести низкое быстродействие, соответственно, низкую рабочую частоту, а также то, что входные напряжения не могут быть разнополярными. Кроме того, обычно при логарифмировании используется логарифмические свойства p-n переходов кремниевых биполярных транзисторов, они не сохраняются в диапазоне более двух декад изменения тока, поэтому необходимо либо снижать динамический диапазон по входным сигналам, либо мириться с относительно большой погрешностью преобразования.
1.2 Перемножители на основе управляемых сопротивлений
Аналоговые перемножители, построенные на основе управляемых сопротивлений, имеют общий принцип построения: один из сигналов подаётся на вход операционного усилителя, в цепи обратной связи которого находится термистор, фоторезистор или управляемое сопротивление сток-исток полевого транзистора, управление сопротивлением которого происходит вторым сигналом (рис. 1.2).

Рис. 1.2. Принцип построения аналоговых перемножителей на основе управляемых сопротивлений
Таким образом, происходит изменение коэффициента усиления входного напряжения в зависимости от уровня второго сигнала, управляющего сопротивлением резистора R2, т.е. перемножение входного и управляющего сигналов. Если сопротивление резистора R2 определяется как
,
где k
1
– коэффициент, описывающий зависимость сопротивления резистора от управляющего воздействия, то перемножение осуществляется следующим образом.
Поскольку коэффициент усиления операционного усилителя, охваченного глубокой обратной связью, можно определить как
,
тогда
.
Следовательно, выходное напряжение зависит от произведения сигналов:
.
Если в качестве управляемого сопротивления используется терморезистор, то инерционность системы будет такова, что рабочие частоты будут лежать в районе долей герца. При использовании фоторезистора диапазон рабочих частот смещается в область единиц – десятков герц.
В случае подачи отрицательных значений входного сигнала по входам управления возможно несколько случаев:
- если в качестве управляемого сопротивления используется терморезистор, то входные сигналы будут браться по модулю;
- если в качестве управляемого сопротивления используется фото-резистор, то свойство перемножителя зависит от источника света:
- если это лампа накаливания, то результат будет взят по модулю, а если это светодиод, то отрицательные значения входного напря-жения приравниваются к нулю.
Применение в качестве управляемых сопротивлений полевых транзисторов даёт несколько лучшие результаты.
Схема АП на основе управляемого сопротивления сток-исток полевых транзисторов представлена на рисунке 1.3 [2].
Выходное напряжение операционного усилителя DA1 можно представить в виде:
, (1.1)
где – сопротивление сток-исток полевого транзистора VT1; U
ОТС
– напряжение отсечки полевого транзистора; I
С0
– начальный ток стока полевого транзистора.
Из уравнения (1.1) следует, что выходное напряжение аналогового перемножителя зависит от внутреннего сопротивления полевого транзистора R
СИ
. Одновременно сопротивление R
СИ
функционально зависит от выходного напряжения U
1
второго операционного усилителя DA2, которое через сопротивления R
8
и R
9
прикладывается к затворам полевых транзисторов VT1 и VT2. В свою очередь входное напряжение y
(t
) и опорное напряжение U
ОП
определяют значение выходного напряжения U
1
операционного усилителя DA2. Нормальное функционирование полевого транзистора с р-каналом возможно, когда U
ОП
>0
и y
(t
)<0
.

Рис. 1.3. Схема АП с полевыми транзисторами в качестве управляемых сопротивлений
При условии, что входными токами операционных усилителей можно пренебречь, ток через транзистор VT2 (через сопротивление R
СИ2
) равен току через сопротивление R
3
. Охваченный отрицательно обратной связью операционный усилитель DA2 на инвертирующем входе имеет нулевой потенциал. Исходя из этих двух утверждений, можно записать:
,
,
где
.
Совместное решение этих уравнений даёт определение функциональной зависимости сопротивления сток-исток полевого транзистора от входного напряжения y
(t
):
.
Температурная и временная стабильность, максимальная точность аналогового перемножителя достигаются только при условии идентичности интегральной пары полевых транзисторов. При этом условии R
СИ1
=
R
СИ2
. Тогда выходное напряжение аналогового перемножителя:
. (1.2)
Если положить, что R
1
=
R
2
,
R
4
=
R
5
,
R
3
=
R
10
, то уравнение (1.2) приводится к виду:
.
Очевидно, что эту схему в ограниченном диапазоне напряжений можно использовать как делитель напряжения. Погрешность перемножения двухквадрантного аналогового перемножителя не превышает 1 % при уровне входных сигналов до 5 В при напряжении питания ±15 В. Ширина полосы пропускания определяется, с одной стороны, применяемыми операционными усилителями, а с другой – частотными свойствами полевых транзисторов.
1.3 Перемножители на управляемых дифференциальных делителях тока
В настоящее время при проектировании АП наибольшее распространение получили перемножители, построенные на дифференциальных транзисторных парах. Иногда этот метод перемножения называют «методом переменной крутизны». Он основан на использовании экспоненциальных свойств биполярных транзисторов: изменение входного напряжения на базах дифференциальной пары транзисторов приводит к экспоненциальному изменению токов коллекторов и вызывает пропорциональное изменение крутизны.
Суть этого метода заключается в том, что выходной дифференциальный ток управляемого линейного делителя тока пропорционален произведению входных величин. Из рисунка 1.4 следует, что выходные токи и их разность соответственно равны
I1
= xI0
;
I2
=
(1-x
)I0
;
I1
- I2
=
(2x – 1
)I0
.
Если положить, что X
=
kX
(2
x
-1
),
а Y
=
kY
I
0
, то
Z = kZ
(I1
– I2
) =
(kZ
/kX
kY
)XY.

Рис. 1.4. Управляемый напряжением дифференциальный делитель тока
Управляемые делители тока хорошо работают на высоких частотах, кроме того, относительно просто реализуются в интегральном исполнении, поэтому рассматриваемые далее аналоговые перемножители напряжения будут выполнены именно на управляемых делителях тока.
2 Перемножители на основе усилителей с переменной крутизной
Простейший способ реализации управляемого напряжением делителя тока заключается в использовании симметричного дифференциального каскада.
Пример схемы АП на основе усилителя с переменной крутизной приведен на рисунке 2.1.

Рис. 2.1. Простейший АП на основе дифференциального каскада
По своему действию дифференциальный каскад на транзисторах VT1 и VT2 (рис. 2.1) подобен усилителю с общим эмиттером, только токи эмиттеров указанных транзисторов не зависят от входных напряжений. Нетрудно заметить, что разность токов коллекторов транзисторов VT1 и VT2 пропорциональна не только входному дифференциальному напряжению UX
, но и току эмиттера транзистора VT3 - I
Э3
. Ток I
Э3
можно регулировать подачей напряжения между базами транзисторов VT3 и VT4. Если резисторы R1 и R2 равны, то напряжение на сопротивлении R
Н
может быть представлено следующим образом:
, (2.1)
где jТ
– температурный потенциал.
Из выражения (2.1) следует, что зависимость выходного напряжения от входных сигналов существенно нелинейная. Разложив гиперболический тангенс в ряд и ограничившись первым членом разложения, получим [1]:
(2.2)
Условие линейности по каждому из входов может быть записано в виде:
(2.3)
где d – допустимый коэффициент нелинейности амплитудной характеристики перемножителя.
В частности, при заданной нелинейности ± 1 % оцененная из выражения (2.3) относительная амплитуда входного сигнала U
X
,
Y
/2
jT
не должна превышать 0,34, что практически позволяет применять такие АП только в качестве смесителя или балансного модулятора. Допустимые значения входных напряжений при заданной нелинейности приведены в таблице 2.1. Линеаризовать диапазон по входу Y
можно включением резисторов в эмиттеры транзисторов VT3 и VT4, о чем будет сказано позже.
Таблица 2.1
Диапазон допустимых входных напряжений
, % |
 |
Значения U
ВХ
при различной температуре, о
С |
| –60 |
+25 |
+60 |
+125 |
| 1 |
0,34 |
6,1 |
8,7 |
9,8 |
11,7 |
| 5 |
0,8 |
14,1 |
20,6 |
23 |
27,5 |
| 10 |
1,16 |
21 |
30 |
33,3 |
4, |
| 15 |
1,48 |
26,7 |
38 |
42,5 |
51 |
| 20 |
1,78 |
32 |
45,6 |
51 |
60 |
Другим существенным недостатком простейших схем является то, что при изменении тока I
Э.3
меняется падение напряжения на резисторах R1 и R2. При наличии технологического разброса параметров этих резисторов появляется дополнительная погрешность преобразования, обусловленная изменением постоянной составляющей в выходном сигнале.
Достоинством рассматриваемой схемы является то, что полярность выходного напряжения в ней определяется полярностью разности входных сигналов D
UX
и D
UY
,
которые могут быть как положительными, так и отрицательными, т.е. обеспечивается четырехквадрантное перемножение. В то же время существует противоречие между допустимыми синфазными сигналами по входам X
и Y
– синфазное напряжение на входах Х
должно быть всегда выше, чем на входах Y
, что сужает область применения таких перемножителей. В частности, если вход Х
может включать в синфазный сигнал 0 В, то для входа Y
допустимый синфазный сигнал должен быть меньше нуля.
От многих перечисленных недостатков свободна схема АП, приведенная на рисунке 2.2 [2, 3].

Рис. 2.2. Перемножитель на основе сдвоенных дифференциальных каскадов с перекрестными связями
Сдвоенный дифференциальный каскад с перекрестными связями выполнен на транзисторах VT7, VT10, VT11, VT14 и питается от двух генераторов тока на транзисторах VT8, VT12, которые, в свою очередь, также образуют дифференциальный каскад с разделенными генераторами токов на транзисторах VT9, VT13. Такая схема включения позволяет при любых изменениях токов коллекторов транзисторов VT8 и VT12 сохранить неизменными падения напряжения на резисторах R2 и R3.
Включение резистора RY
позволяет расширить линейный диапазон по входу Y
АП. В этом случае разность выходных токов дифференциального каскада на транзисторах VT8 и VT12 можно определить как
(2.4)
где r
Э
=
jТ
/
I
Э
– дифференциальное сопротивление перехода база-эмиттер.
Если выполняется условие RY
>>
r
Э
, тогда выражение (4) упрощается:
, (2.5)
а выражение (2.1) для данного перемножителя приобретает вид:
, (2.6)
где – разность входных напряжений между базами транзисторов VT7 и VT10.
Однако следует заметить, что и в этом случае линейное напряжение на входе Y
будет ограничено максимальным током I
0
:
.
Поскольку проходная характеристика сдвоенного дифференциального каскада остается по-прежнему нелинейной, для линеаризации входа Х
служит дифференциальный каскад на транзисторах VT2, VT3, VT5 и VT6. Линеаризация разности выходных токов в нем осуществляется, аналогично каналу Y
, установкой резистора R
X
:
(2.7)
Нагрузкой дифференциального каскада являются транзисторы VT1 и VT4 в диодном включении. Токи коллекторов транзисторов VT2 и VT5, протекая через p-n переходы транзисторов VT1 и VT4, создают на них падения напряжения, разность которых является входным напряжением сдвоенного дифференциального каскада:
(2.8)
где I
0
– начальный ток дифференциального каскада (предполагается, что транзисторы VT1 и VT4 абсолютно идентичны и их токи насыщения IS
обратно смещенного p-n перехода одинаковы); IX
– приращение тока, обусловленное приращением входного напряжения.
Подставляя (2.8) в (2.6), получим передаточную функцию перемножителя в следующем виде:
(2.9)
где масштабный коэффициент, имеющий размерность напряжения.
Схема, приведенная на рисунке 2.2, является базовой для большинства выпускаемых отечественной и зарубежной промышленностью АП. Для большинства современных интегральных микросхем АП, построенных на основе дифференциальных транзисторных пар с управляемой крутизной преобразования, погрешность перемножения лежит в пределах 0,5-2 % [4–6]. Источниками статической погрешности в АП являются рассогласование характеристик транзисторов в множительном ядре за счет технологического разброса и температурных градиентов по кристаллу, нелинейность входных преобразователей «ток-напряжение» (ПНТ) и т.д. [4]. В [6] показано, что наиболее существенный вклад в нелинейность АП вносят ПНТ, а при снижении погрешности линейности ПНТ до 0,1-0,05 % необходимо учитывать вклад в погрешность перемножения, вносимый объемными сопротивлениями баз транзисторов множительного ядра и логарифмирующих диодов [6].
2.1
Схемотехнические способы снижения погрешности перемножения
Источниками погрешности перемножения в четырехквадрантном АП (рис. 2.2) являются:
- напряжение смещения управляемых током дифференциальных каскадов;
- напряжения смещения ПНТ;
- погрешность установки масштабного коэффициента;
- влияние коэффициента усиления тока базы транзисторов;
- влияние токосуммирующего выходного каскада (при использовании одиночного выхода АП);
- нелинейность ПНТ;
- влияние объемных сопротивлений баз транзисторов.
Погрешности, обусловленные первыми пятью факторами, играют существенную роль, но могут быть снижены за счет тщательного симметрирования схемы с использованием технологических возможностей интегральной технологии, а также в процессе эксплуатационной настройки интегральной схемы АП [4].
В [6] показано, что результирующая погрешность АП, обусловленная нелинейностью ПНТ в каналах X
и Y
может быть найдена как взвешенная сумма погрешности каждого ПНТ:
,
где X
и Y
– относительные изменения токов в каждом канале.
Составляющие погрешности, обусловленные нелинейностью ПНТ и объемными сопротивлениями, необходимо снижать схемотехническими приемами, что и будет в дальнейшем рассмотрено.
Упрощенная схема наиболее часто используемого ПНТ, представляющего собой дифференциальный усилитель с последовательной обратной связью по току в эмиттерной цепи, приведена на рисунке 2.3а.
 
а) б)
Рис. 2.3. Преобразователь «напряжение-ток» (а) и его проходная характеристика (б)
В работе [7] приводится методика оценки погрешности ПНТ такого рода, суть которой сводится к оценке отклонения реальной функции крутизны преобразования напряжения в ток (кривая 2 на рис. 2.3б) от ее линейного приближения (кривая 1 на рис. 2.3б). В этом случае для схемы рис. 2.3а) крутизну преобразования можно представить как
, (2.10)
где IX
– приращение тока коллектора транзисторов дифференциальной пары; I
0
– ток источников тока дифференциального каскада; rE
=
jT
/
I
0
– дифференциальное выходное сопротивление транзисторов VT1,2 со стороны эмиттера; X
=
IX
/
I
0
– относительное изменение тока.
В этом случае отклонение от линейности
,
где SX
=
dIX
/
dUX
– крутизна прямой передачи; dIX
– абсолютное отклонение тока от идеальной линейной функции; S
0
=
I
0
/
U
0
– крутизна прямой передачи при линейном приближении,I
0
– максимальный выходной ток преобразователя при подаче на вход максимального напряжения UX
=U
0
.
Отметим, что SX
(0) =
S
0
, поэтому
. (2.11)
Подставляя (2.11) в (2.10), получаем относительную погрешность преобразования напряжения в ток:
, (2.12)
поскольку при g << 1 можно положить IX
/I
0
»
UX
/U
0
.
Отметим, что в отличие от предложенного в [4] метода определения погрешности ПНТ в выражении (2.12) отсутствует трансцендентность, что позволяет оценивать погрешность непосредственно, без построения номограмм. Также необходимо отметить, что результаты оценки погрешности предложенным методом хорошо совпадают с результатами схемотехнического моделирования.
Из выражения (2.12) следует, что приемлемых уровней погрешности (меньше 0,1 %) можно достичь только при выполнении условий: R
1
/
2rE
>500 и X
<
0,75. Для АП, работающих при питающих напряжениях ±15 В эти условия могут быть легко реализованы, как будет показано ниже. Для низковольтных АП (при их питании от напряжений меньше ±5 В) выполнение этих условий приведет к резкому снижению масштабного коэффициента перемножителя, повышению уровня шумов и т.д.
Основная погрешность линейности преобразования рассмотренного ПНТ обусловлена существенной режимной зависимостью rE
от тока эмиттера. Суть рассмотренных ниже схемотехнических приемов заключается в том, что тем или иным способом необходимо ослабить влияние изменения rE
при изменении тока эмиттера.
2.1.1 Использование отрицательной обратной связи
Функциональная схема ПНТ, использующая отрицательную обратную связь (ООС) для снижения влияния r
Э
, приведена на рисунке 2.4. Напряжение с выходов двух операционных усилителей (ОУ) выделяется на резисторе R
. Если пренебречь базовыми токами транзисторов, то весь преобразованный ток течет в их коллекторы:
,
где К
U
– коэффициент усиления по напряжению ОУ.
Упрощенный вариант схемотехнической реализации функциональной схемы (рис. 2.4) приведен на рисунке 2.5, а результаты сопоставительного моделирования в сравнении со схемой ПНТ (рис. 2.3а) – на рисунке 2.6.
Методика оценки нелинейности соответствует приведенной выше: определяется крутизна преобразования, нормируется относительно максимального значения крутизны на интервале входного напряжения, определяется отклонение от идеальности (линейной функции y
=
kx
при k
= 1
) и умножается на 100 %.

Рис. 2.4. Функциональная схема ПНТ с ООС

Рис. 2.5. Упрощенная принципиальная схема ПНТ с ООС
При максимальном относительном изменении тока X = 0,75 погрешность базовой схемы составляет 2,5 % при входном напряжении ±1,5 В, а схемы ПНТ с ООС при тех же условиях измерения – не более 0,05 %. Как будет показано ниже, такой результат не является уникальным, и зависит от глубины обратной связи. Но глубина ООС в таких схемах может быть увеличена только за счет существенного усложнения схемы. В то же время усложнение схемы и применение транзисторов p-n-p-типа сужает частотный диапазон ПНТ.
В сущности схемы, реализующие принцип ООС в ПНТ, не отличаются большим разнообразием и, в конечном счете, сводятся к той или иной схемотехнической реализации усилителей в цепи ООС. На рисунке 2.7 приведен еще один вариант реализации ПНТ, предложенный в [8].
Погрешность крутизны преобразования такой схемы зависит как от r
Э
, так и от тока базы транзисторов VT1 (VT14):
, (2.13)
где b4,6
– коэффициент усиления тока базы соответствующего транзистора.

Рис. 2.6. Результаты оценки нелинейности при сопоставительном моделировании базовой схемы ПНТ и ПНТ с ООС

Рис. 2.7. Преобразователь «напряжение-ток»
Результаты моделирования схемы ПНТ (рис. 2.7) приведены на рисунке 2.8.
Погрешность данной схемы ПНТ практически такая же, как и у предыдущей (0,031 %), однако, как будет показано ниже, такое построение схемы ПНТ предоставляет интересные возможности введения дополнительных каналов компенсации, что позволит на порядок снизить погрешность крутизны преобразования.
На основании проведенных исследований можно сделать следующие выводы в отношении применения схем ПНТ с ООС:
- применение ООС в ПНТ позволяет в петлевое усиление раз снизить погрешность крутизны преобразования;
- в ПНТ с ООС отсутствует необходимость точного согласования резисторов;
- снижение погрешности преобразования сопровождается существенным усложнением схемы, увеличением токопотребления и сужением полосы пропускания.

Рис. 2.8. График нелинейности ПНТ (рис. 2.7)
2.1.2 Использование принципов компенсации нелинейности
Основная погрешность линейности преобразования рассмотренного ПНТ обусловлена существенной режимной зависимостью rE
от тока эмиттера. Суть рассмотренных ниже схемотехнических приемов заключается в том, что тем или иным способом формируется компенсирующий ток, ослабляющий влияние изменения rE
при изменении тока эмиттера.
На рисунке 2.9 приведена схема одного из вариантов такого ПНТ [9]. Оценку нелинейности преобразования напряжения в ток можно произвести аналогичным способом. Для этого рассмотрим следующие уравнения:
; (2.14)
, (2.15)
где – разность напряжений база-эмиттер транзисторов VT2 и VT5; IK
– компенсирующий ток вспомогательного дифференциального каскада на транзисторах VT3 и VT4; КК
=
IK
/
I
0
.
Суммарный выходной ток ПНТ c учетом знаков приращений можно представить как I
S
=
IX
-
IK
,откуда из (2.14) и (2.15) следует:
. (2.16)
Поскольку (1+К
)»
1, последнее слагаемое в выражении (2.16) можно разложить в ряд. Тогда выражение (2.16) можно представить как
. (2.17)

Рис. 2.9. Упрощенная схема ПНТ с повышенной линейностью
Так как IK
=
IX
-
I
S
, а jТ
/
I
0
=
rE
, выражение (2.16) может быть преобразовано к виду:
. (2.18)
При выполнении условия
(2.19)
второе слагаемое в выражении (2.18) обращается в нуль, поэтому результирующая крутизна преобразования напряжения в ток не будет зависеть от уровня входного сигнала.
Так как выражение (2.18) было получено при определенных допущениях (например, коэффициент передачи тока эмиттера a
всех транзисторов не зависят от тока и равны единице), выполнение условия (2.19) не исключает полную независимость крутизны от уровня входного напряжения. Однако погрешность преобразования можно сделать достаточно малой, что подтверждается результатами моделирования рассмотренных схем (рис. 2.10).
Графики, приведенные на рисунке 2.10, по сути представляют собой отклонение в процентах нормированной крутизны прямой передачи от единицы, что при U0
=
1 совпадает с выражением (2.12). Для схемы ПНТ (рис. 2.3а) максимальное отклонение составляет 0,75 %, а для схемы ПНТ (рис. 2.9) не превышает 0,015 % в диапазоне изменения входного напряжения ±1 В при питающем напряжении ± 5 В.
Следует также отметить, что для схемы ПНТ, приведенной на рисунке 2.9, достаточно точное выражение для отклонения от линейности может быть получено из выражений (2.14) и (2.15) после аппроксимации их полиномами четвертой степени. В этом случае можно дать следующие рекомендации при осуществлении параметрического синтеза. Условие (2.19) дает приближенное значение сопротивлений резисторов R
1
и RK
, а дальнейшую параметрическую оптимизацию можно осуществить, добиваясь, чтобы значение отклонения на краях диапазона совпадали со значение отклонения в точке UX
= 0
. Это будет наилучшее приближение к линейной функции.
К недостаткам схемы линейного ПНТ, приведенного на рисунке 2.9, можно отнести необходимость наличия четырех хорошо согласованных источников тока, что увеличивает мощность, потребляемую схемой. Кроме того, даже незначительные различия токов (в пределах ± 5 %) приводят к существенному ухудшению линейности за счет нарушения симметрии схемы.
Существенно меньшим токопотреблением отличается схема ПНТ, приведенная на рисунке 2.11а) [10]. С помощью делителей тока ДТ часть тока IX
ответвляется в транзисторы VT3 и VT4 и с соответствующим знаком суммируется с выходным током ПНТ. Разность напряжений база-эмиттер транзисторов VT3 и VT4 пропорциональна логарифму тока IX
. С помощью резистора R
К
формируется ток, пропорциональный jТ
, знак которого противоположен составляющей тока jТ
дифференциального каскада:
,
где КД
– коэффициент деления тока ДТ.
При соответствующем выборе КД
и сопротивлений резисторов R
0
и R
К
условие компенсации очевидно:
.
Упрощенный вариант схемотехнической реализации приведен на рисунке 2.11б), а результаты моделирования этой схемы – на рисунке 2.12. Деление тока осуществляется с помощью повторителей тока на транзисторах VT3, VT4, VT5 и VT8, VT9, VT10 за счет соответствующего выбора площадей эмиттеров транзисторов. Нормированное отклонение крутизны практически совпадает со схемой ПНТ (рис. 2.9), в то же время ток, потребляемый схемой, показанной на рисунке 2.9, в два раза ниже.

Рис. 2.10. Графики, иллюстрирующие отклонение от линейности схем ПНТ (рис. 2.3а) (¯) и ПНТ (рис. 2.9) (□)
Еще один вариант предлагаемых схемотехнических принципов построения линейных ПНТ приведен на рисунке 2.13. Деление тока в этой схеме происходит в самом дифференциальном каскаде, в остальном принцип действия схемы и аналитические выражения, определяющие условия компенсации, полностью совпадают с результатами анализа схемы, приведенной на рисунке 2.11б.
Условие компенсации нелинейности выглядит следующим образом:
,
а значение крутизны преобразования определяется выражением
, (2.20)
где КД
=
s
1
/
s
2
– коэффициент деления сигнального тока, обусловленный выбором площадей si
эмиттеров транзисторов VT1, VT2 (VT4, VT3).
 
а)б)
Рис. 2.11. Построение линейного ПНТ с использованием делителей тока
Вариант использования делителя тока в коллекторных цепях дифференциального каскада приведен на рисунке 2.14. По своим характеристикам эта схема близка к рассмотренным ранее, однако требует двух согласованных резисторов (R6 и R7), что не всегда удобно.
К сожалению, предложенные схемы не лишены недостатка: как видно из выражения (2.20), за высокую линейность и малое токопотребление приходится «платить» снижением крутизны на 30–40 %. Если вместо делителя тока в схеме ПНТ использовать ответвитель тока (рис. 2.15), то наряду с повышением линейности крутизну преобразования можно повысить в два-три раза.

Рис. 2.12. Результаты сравнительного моделированиясхем ПНТ (рис. 2.3а) (¯) и ПНТ (рис. 2.11б) (□)

Рис. 2.13. Схема ПНТ с делителем тока на входедифференциального каскада

Рис. 2.14. Вариант построения линейного ПНТ с делителями тока

Рис. 2.15. Схемотехническая реализация линейного ПНТс повышенной крутизной
Для определения условий компенсации нелинейности в схеме на рисунке 2.15 необходимо решить систему трансцендентных уравнений, что можно сделать только численно. Однако принцип ее функционирования также похож на предыдущие. Ответвитель тока на транзисторах VT3, VT4, резисторе R3 и VT5, VT6, резисторе R4 имеет нелинейную характеристику, причем такую, что дифференциальный коэффициент передачи тока транзистора VT1 (VT2) имеет отрицательный знак, поэтому приращения токов транзистора VT1 и VT4 с помощью транзисторов VT7, VT8 складываются (а не вычитаются, как в предыдущих случаях). За счет этого крутизна прямой передачи ПНТ возрастает. С помощью транзисторов VT8, VT9 и резистора R
К
формируется компенсирующий ток, пропорциональный jТ
, так что выполняется условие частичной нейтрализации влияния режимно зависимых сопротивлений эмиттеров транзисторов дифференциального каскада. Ориентировочное значение компенсирующего резистора можно определить как RK
»
R
0
, а более точно это сопротивление можно выбрать в результате схемотехнического моделирования, используя рекомендации, данные ранее.
Вариант реализации схемы ПНТ с повышенной крутизной приведен на рисунке 2.16. В этом случае компенсирующий ток из коллекторной цепи отбирается с помощью измерения базового тока n-p-n транзисторов с последующим его усилением с помощью p-n-p транзисторов.
Формировать компенсирующий ток можно и в эмиттерных цепях базового дифференциального каскада, как это показано на рисунке 2.17.
В этом случае часть компенсирующего тока попадает в эмиттер дифференциального каскада, а часть тока, обусловленная коэффициентом передачи делителя тока на транзисторах VT7, VT8 (VT9, VT10) (рис. 2.17), перекрестно отправляется в коллекторы транзисторов дифференциальной пары. Фактически принцип компенсации в этой схеме можно объяснить следующим образом. Приращение тока эмиттера транзистора VT1 (VT2) обусловлено не только приращением сигнального тока через резистор R
0
, но и равным приращением компенсирующего тока с противоположным знаком. В результате r
Э
транзисторов VT1 и VT2 остаются практически постоянными, так как ток эмиттера транзисторов дифференциальной пары практически не меняется при изменении входного напряжения.

Рис. 2.16. Вариант схемотехнической реализации линейного ПНТс повышенной крутизной
Таким образом, сущность повышения линейности ПНТ при использовании цепей компенсации можно сформулировать следующим образом.
Тем или иным способом формируется разность напряжений база-эмиттер, зависящая от сигнального тока преобразователя, формируется компенсирующий ток, отправляемый в нужной фазе на выход преобразователя.
Практически все рассмотренные схемы ПНТ, линейность которых повышена за счет введения компенсирующих токов по такому параметру, как погрешность преобразования, напряжения в ток близки друг к другу. Достоинства или недостатки того или иного схемотехнического решения определяются лишь абсолютным значением крутизны в сравнении с базовой схемой, наличием либо отсутствием p-n-p транзисторов и частотными свойствами. Поэтому проектировщик вправе выбирать схемотехническое решение в зависимости от ограничений, принятых при разработке.
Еще одна возможность компенсации иллюстрируется схемой ПНТ (рис. 2.18). Эта схема уже рассматривалась ранее, и для нее приводилось выражение, учитывающее погрешность преобразования от коэффициента усиления тока базы и конечного выходного сопротивления транзистора со стороны эмиттера (выражение (2.13)).

Рис. 2.17. Схема ПНТ с компенсацией нелинейности в источниках тока дифференциального каскада
Если схему ПНТ с ООС дополнить усилителями тока УТ1 и УТ2 с коэффициентом усиления KI
, то с их помощью измеряется базовый ток и отправляется в коллектор соответствующего транзистора. Таким образом, коэффициент, эквивалентный коэффициенту передачи тока эмиттера транзисторов VT6 (VT8), можно сделать равным единице или больше единицы за счет выбора значения KI
. В этом случае выражение (2.13) можно представить следующим образом:
(2.21)

Рис. 2.18. Схема ПНТ с ООС и компенсацией нелинейной зависимости коэффициента усиления тока базы
Следовательно, если KI
>1, в знаменателе выражения (2.21) появляется член с отрицательным знаком, который может компенсировать достаточно малое, но конечное значение составляющей, зависящей от выходного сопротивления транзистора со стороны эмиттера.

Рис. 2.19. Схема ПНТ с ООС и компенсацией нелинейности

Рис. 2.20. Зависимость отклонения от линейности крутизны преобразования схемы ПНТ (рис. 2.18)
Физическая реализация такого усилителя тока затруднена, однако эта же идея используется в схеме ПНТ, приведенной на рисунке 2.19. Поскольку приращение тока через резистор RX
обусловлено приращением тока через транзистор VT7 или VT9, то пропорциональное приращение тока возникает и в транзисторах VT15, VT16. Приращение токов коллекторов этих транзисторов практически совпадает с приращением токов баз транзисторов VT1 и VT14 с точностью до знака, таким образом реализуется принцип компенсации, показанный выражением (2.21), поскольку S
=
dIX
/
dUX
.
Результаты моделирования схемы ПНТ (рис. 2.18) приведены на рисунке 2.20 и практически совпадают с результатами моделирования схемы (рис. 2.19). Погрешность преобразования ПНТ в этом случае не превышает 0,0015 % в диапазоне входных напряжений ±1 В, однако следует заметить, что частотные свойства этой схемы существенно зависят от качества боковых p-n-p транзисторов и на амплитудно-частотной характеристике появляется подъем вблизи частоты среза, обусловленный вторым порядком передаточной функции цепи.
2.1.3 Мостовые преобразователи «напряжение-ток»
Как уже отмечалось, основная погрешность линейности преобразования рассматриваемых ПНТ обусловлена существенной режимной зависимостью r
Э
от тока эмиттера.
На рисунке 2.21 приведена схема мостового преобразователя «напряжение-ток», в котором влияние выходного сопротивления преобразователя на точность преобразования существенно снижено. В основе такой мостовой схемы лежит «бриллиантовый транзистор» [11]. Действительно, для тока, протекающего через резистор R1, можно записать:
, (2.22)
где R
ВЫХ.1,2
– выходное сопротивление соответствующего «бриллиантового транзистора».

Рис. 2.21. Схема мостового преобразователя «напряжение-ток»
Выходное сопротивление «бриллиантового транзистора» можно представить следующим образом:
, (2.23)
где r
Э.
N
, r
Э.Р
– дифференциальные сопротивления эмиттеров выходных транзисторов (VT4, VT6) типа n-p-n и p-n-p соответственно; r
Б.
N
,
r
Б.
P
–
приведенные к выходу объемные сопротивления базы соответствующих транзисторов.
Если пренебречь объемными сопротивлениями базы, выражение (2.23) преобразуется к виду:
.
Это значит, что выходное сопротивление бриллиантового транзистора не зависит от тока, протекающего через резистор R1 или, что то же самое, крутизна преобразования напряжения в ток не зависит от уровня входного сигнала.
Реально объемные сопротивления базы транзисторов не равны нулю, более того – они режимно зависимы, так как в объемном сопротивлении базы присутствуют две составляющие. Первая составляющая определяет сопротивление вывода базы и сопротивление внешней области базы, которое не зависит от тока базы. Вторая составляющая характеризует сопротивление активной области базы, находящейся непосредственно под эмиттером – это сопротивление зависит от тока базы [12]. Вид этой зависимости достаточно сложен и носит полуэмпирический характер для различных транзисторов. Однако для многих случаев характер этой зависимости таков, что максимум крутизны преобразования лежит не в окрестности UX
=
0, а на краях динамического диапазона и отклонение крутизны от линейности существенно меньше, чем в схеме классического преобразования тока в напряжение на основе дифференциального каскада (рис. 2.3а).
Зависимость тока через резистор R1 в этом случае можно представить как
. (2.24)
К достоинствам такого способа построения мостового преобразователя можно также отнести гораздо более широкий динамический диапазон по входному напряжению при заданной погрешности преобразования или возможность уменьшения сопротивления R1 для увеличения крутизны.
С другой стороны, мостовая схема преобразователя имеет в два раза меньшую крутизну по сравнению с базовой схемой (рис. 2.3а), так как результирующее приращение тока через резистор R1 возникает как за счет верхнего, так и за счет нижнего плеча моста, которые имеют противоположные знаки. Поэтому токи коллекторов транзисторов VT4 и VT3 имеют в два раза меньшие приращения, чем ток в резисторе R1.
Повысить крутизну преобразования можно, вводя повторители тока (F1 и F2 на рис. 2.22). Действительно, приращение тока коллектора транзистора VT6 суммируется практически с таким же приращением тока коллектора транзистора VT9, приведенного к резистору R2 через повторитель тока F2.
Результирующее значение тока, определяющее крутизну преобразования для схемы ПНТ (рис. 2.22) можно определить как разность токов, протекающую через резисторы R1 и R2:
, (2.25)
где ai
– коэффициент передачи тока эмиттера соответствующего транзистора; К
I
– коэффициент передачи повторителя тока F1 (F2). (Выражение (2.24) получено в предположении, что a6
=
a10
»
1,
a5
=
a9
и коэффициенты передачи повторителей тока F1 и F2 равны.)
Очевидно, что при выборе К
I
>
1 результирующая крутизна преобразования может быть сделана больше, чем в базовой схеме при одинаковых сопротивлениях резисторов R1 и R11 (рис. 2.22).
Коэффициент передачи тока эмиттера для большинства интегральных боковых p-n-p транзисторов может быть существенно меньше единицы и, как правило, при некоторых значениях тока с его ростом начинает снижаться. Это справедливо, например, для транзисторов, входящих в АБМК НПО «Интеграл» (г. Минск) и БМК НПО «Пульсар» (г. Москва). В первом приближении в диапазоне токов 0,1-3 мА зависимость a от тока эмиттера можно аппроксимировать линейной функцией:
, (2.26)
где a0
– коэффициент передачи тока эмиттера при IX
=
0; А
– некоторый коэффициент, имеющий размерность [1/А].
Подстановка (2.26) в (2.25) дает:
. (2.27)
Дробная часть выражения (2.27) содержит квадратичную составляющую тока IX
, которая компенсирует увеличение тока через резистор R1 при уменьшении выходного сопротивления мостовой схемы преобразователя. В этом случае определенному значению К
I
должно соответствовать определенное значение сопротивлений базы, приведенных к выходу. Для этого в цепь базы одного из транзисторов мостовой схемы преобразователя может быть введен дополнительный резистор (R12, R13, рис. 2.22).

Рис. 2.22. Упрощенная схема мостового ПНТ с повышенной крутизной
и компенсацией нелинейности (а) и базовая схема ПНТ (б)
на основе дифкаскада
Результаты моделирования схемы ПНТ (рис. 2.22) приведены на рисунке 2.23. Моделирование проведено в сравнении с базовой схемой на основе дифференциального каскада при одинаковой крутизне преобразования и близких статических токах выходных транзисторов той и другой схемы. Погрешность крутизны преобразования для базовой схемы достигает 20 %, а для схемы мостового преобразователя – менее 0,012 % (нижний график на рисунке 2.20), поскольку диапазон изменения входного сигнала составляет ±3 В.
Другой вариант построения мостового ПНТ на основе двухтактного эмиттерного повторителя приведен на рисунке 2.24.
Идея его построения подобна ПНТ на основе «бриллиантового транзистора», и ток через резистор, определяющий начальную крутизну преобразования, описывается выражением, аналогичным (2.24). Цепь, компенсирующая снижение крутизны преобразования, также выполнена на основе повторителей тока (VT11-VT14, рис. 2.24). Отличие заключается в том, что компенсация нелинейности осуществляется включением резистора R16 между входами повторителей тока.
Суть компенсации нелинейности в этом случае заключается в следующем. С ростом тока в одном из плеч дифференциального повторителя тока растет напряжение база-эмиттер входного транзистора, например VT13. В то же время напряжение база-эмиттер транзистора VT11 уменьшается, так как входной ток повторителя тока также убывает. Возникает разность напряжений база-эмиттер, создающая приращение тока в резисторе R16. В результате ток коллектора транзистора VT12 убывает, а ток коллектора VT14 возрастает на величину тока, протекающего через резистор R16. Это, в конечном счете, приводит к тому, что результирующий коэффициент передачи повторителей тока становится режимно зависимой функцией: он убывает с ростом входного тока, за счет чего достигается компенсация нелинейности ПНТ.

Рис. 2.23. Отклонение крутизны преобразования схемы мостового
ПНТ на основе «бриллиантовых транзисторов» (нижний график)
и абсолютное значение крутизны (верхний график)
Действительно, для коэффициента передачи повторителей тока на транзисторах VT12-VT13 и VT11-VT14 можно записать:


где I
12
,
I
14
– соответственно токи коллектора транзисторов VT12 и VT14; К
I
=
s
13
/
s
12
=
s
11
/
s
14
– коэффициент передачи соответствующего повторителя тока, обусловленный отношением площадей si
эмиттеров транзисторов; IK
– компенсирующий ток, причем


Рис. 2.24. Упрощенная принципиальная схема мостового преобразователя на двухтактных повторителях напряжения с цепью компенсациина основе нелинейного повторителя тока
Результирующая разность токов на выходе ПНТ может быть представлена как
. (2.28)
При определении крутизны преобразования второе слагаемое в выражении (2.27) дает квадратичную составляющую (производная dIK
/
dUX
имеет противоположный знак по отношению к производной dI
Х
/
dUX
), которая при соответствующем выборе сопротивления резистора R16 почти полностью компенсирует нелинейность преобразования напряжения в ток.
График зависимости крутизны преобразования напряжения в ток для схемы ПНТ (рис. 2.24) в сравнении с базовой схемой, приведен на рисунке 2.25, причем для сравнения с базовой выбрано примерно одинаковое абсолютное значение крутизны и одинаковое токопотребление схем. Отклонение от линейности в схеме мостового преобразователя не превышает 0,003 %.

Рис. 2.25 Отклонение крутизны преобразования схемы мостового
преобразователя напряжение-ток на основе двухтактного повторителя
напряжения (верхний график) и базовой схемы (нижний график)
На основании проведенного анализа и результатов моделирования можно сделать следующие выводы:
- схема мостового преобразователя напряжение-ток изначально имеет меньшую погрешность преобразования в сравнении с базовой схемой на основе дифференциального каскада, так как в мостовой схеме осуществляется взаимная компенсация выходного сопротивления, являющегося основным источником погрешности;
- мостовой преобразователь имеет крутизну преобразования в два раза ниже в сравнении с базовой схемой. Повысить крутизну преобразования можно использованием повторителей тока, выходы которых включены перекрестно;
- подбором приведенного к выходу мостового преобразователя на основе «бриллиантового транзистора» объемного сопротивления базы транзистора можно существенно скомпенсировать нелинейность преобразователя, обусловленную выходным сопротивлением. Выбором соответствующего коэффициента передачи повторителя тока удается скомпенсировать погрешность преобразования, обусловленную режимной зависимостью коэффициента передачи тока эмиттера;
- применение нелинейного повторителя тока позволяет компенсировать нелинейность преобразователя при одновременном повышении крутизны преобразования в заданное число раз;
- динамический диапазон мостовых преобразователей «напряжение-ток» по входному сигналу может достигать диапазона ±ЕП
, что принципиально недостижимо в преобразователях «напряжение-ток» на основе дифференциального каскада. Это особенно важно при проектировании низковольтных прецизионных аналоговых перемножителей напряжения.
Наиболее существенный недостаток мостовой схемы – ее относительная сложность и наличие транзисторов p-n-p типа, однако возможность изготовления двухтактного повторителя по технологии «бриллиантового транзистора» оставляет надежду, что подобные схемы могут получить распространение [19].
Все вышеизложенное позволяет сделать вывод о перспективности использования мостовых преобразователей «напряжение-ток» в схемах аналоговых перемножителей напряжения.
3
.
Влияние объемных сопротивлений транзисторов на погрешность перемножителя
Транзисторы, используемые в АП, имеют ненулевые объемные сопротивления базы, что также приводит к появлению дополнительной погрешности. Оценить эту погрешность можно поочередно для двухквадрантной модели (для транзисторов VT1-VT4 и VT1, VT4-VT6, рис. 3.1), определив результирующую погрешность как сумму с учетом знаков приращений.
Для транзисторов VT1-VT4 при условии, что s
1
=
s
4
и s
2
=
s
3
, можно записать:
, (3.1)
где IX1
=IX0
+
IX
; IX2
=IX0
-
IX
; IY1
=I
Y
0
-
IY
; I
Y
2
=I
Y
0
-
IY
; IX
,
IY
– соответствующие приращения токов относительно статических токов IX0
и I
Y
0
.
Если нормировать токи следующим образом:
IX1
=IX0
(1+X); IX1
=IX0
(1-X); IY1
=IY01
(1+Z); IY1
=IY01
(1+Z),
где Х=
IX
/
IX
0
,
Z
=
IY
/
IY
0
, то выражение (3.1) можно представить как
 . (3.2)
Из (3.2) следует, что при rX
=rY
=
0X
=
Z
, а при ненулевых значениях объемных сопротивлений погрешность составит g
О1
=Z-X
.
Тогда уравнение (3.1) преобразуется к виду:
.
Полагая, что 1+
g
О1
»
1
(погрешность достаточно мала), а также положив, что rY
IY01
<<
jT
, получаем:
. (3.3)
Для другой части двухквадрантной модели, по аналогии с предыдущим случаем, учитывая соответствующие знаки приращений, получаем:
. (3.4)

Рис. 3.1. Четырехквадрантная модель АП для оценки
влияния объемных сопротивлений на погрешность
Учитывая, что IY01
=I0
(1+Y
),
а IY02
=
I
0
(1-Y
), для суммарной погрешности четырехквадрантной модели получим:
. (3.5)
Выражение (3.5) показывает, что даже при идеальных характеристиках ПНТ и отсутствии остальных составляющих погрешности перемножителя погрешность g
О
может достигать 0,2 %. Уменьшить эту составляющую погрешности можно несколькими способами, которые в конечном счете сводятся к уменьшению до нуля второго сомножителя в выражении (3.5). Отметим, что достигать этого с помощью выбора разных токов I0
и нежелательно, так как в этом случае нарушается фазовая идентичность каналов X
и Y
, то есть I0
»
IX0
[3]. У транзисторов, содержащихся в базовом матричном кристалле АБМК.1 (НПО «Интеграл»), объемные сопротивления довольно велики и имеют составляющую, зависящую от тока базы [12, 13]. В этом случае при выборе соответствующего отношения площадей транзисторов, входящих в множительное ядро, можно добиться минимизации погрешности. Например, для АБМК.1 можно считать оптимальным отношение s
1
/
s
2
=
3/4 при токах I0
»
IX0
»
1 – 2 мА.
4 Компенсация температурной погрешности
Во втором разделе было получено выражение для масштабного коэффициента преобразования входных напряжений, которое зависит от тока источников тока ПНТ. С одной стороны, можно рекомендовать жесткую стабилизацию этих токов при изменении питающих напряжений и температуры. Если проблему стабилизации токов I
0
при изменении питающего напряжения можно решить всего лишь стабилизацией напряжения питания, то проблема стабилизации тока при изменении температуры решается достаточно сложно.
Однако, поскольку масштабный коэффициент описывается довольно сложной функцией от температуры (зависит от j
Т
), используя источники тока с заданным температурным дрейфом, можно частично компенсировать изменение масштабного коэффициента при изменении температуры.
Можно рекомендовать следующую процедуру при проектировании источников тока для АП. В процессе схемотехнического моделирования определить температурный дрейф kT
масштабного коэффициента при источниках тока, не имеющих температурного дрейфа, а затем выполнить источник тока по схеме, которая обеспечивает следующий закон изменения тока:
,
где I
0
(T
0
) –
необходимый статический ток ПНТ при комнатной температуре Т0
; Т
– температура окружающей среды.
В этом случае удается значительно уменьшить средний температурный дрейф погрешности перемножения.
То есть задача проектирования источника тока сводится к выполнению источников тока с заданным значением начального тока и заданным температурным дрейфом. Поэтому задача построения таких источников тока требует самостоятельного дополнительного исследования.
Компенсация температурных погрешностей перемножителя является одной из сложных задач, требующих решения, которая в данной работе не рассматривается.
5 Управляемые напряжением четырехквадрантные перемножители
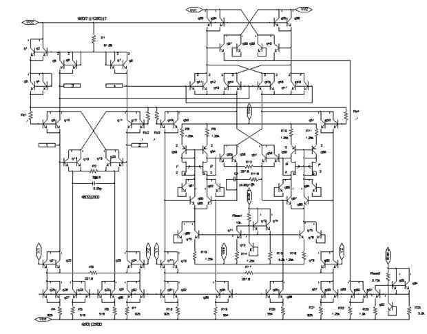
В предлагаемых ниже схемах четырехквадрантных перемножителей использованы результаты вышеприведенного анализа и рекомендации. В качестве активных компонентов использованы транзисторы, содержащиеся в АВМК.1, выпускаемого НПО «Интеграл» (г. Минск), а также АБМК НПО «Пульсар» (г. Москва).
На рисунке 5.1 приведена схема АП, выполненная на транзисторах НПО «Пульсар». Напряжение питания схемы составляет ±15 В, поэтому масштабирующие резисторы R1 и R2 выбраны 10 кОм, что позволило снизить погрешность ПНТ до 0,01 %. Для снижения погрешности за счет объемных сопротивлений баз транзисторов выполнено соответствующее масштабирование площадей транзисторов множительного ядра и логарифмирующих диодов. Для приведения парафазных токовых выходов АП к одиночному использована схема «перегнутого каскода» [4, 14] с компенсацией частотных свойств p-n-p-транзисторов. В выходном каскаде предусмотрена возможность балансировки нуля с помощью резистора RБАЛ
.

Рис. 5.1. Упрощенная принципиальная электрическая схема
высоковольтного АП с повышенной линейностью
Результаты моделирования схемы АП (рис. 5.1) приведены на рисунках 5.2 и 5.3. Оценка погрешности перемножения производилась в режиме «квадратора», когда на входы X
и Y
перемножителя подавался один и тот же сигнал. Отклонение от линейности определялось как разность между идеальным (математическим) возведением в квадрат того же сигнала с соответствующим масштабным коэффициентом, отнесенным к максимальному выходному напряжению АП в заданном диапазоне изменения входного напряжения.

Рис. 5.2. Погрешность перемножителя (рис. 5.1) в режиме квадратора

Рис. 5.3. Частотная характеристика АП (рис. 5.1)
Погрешность перемножителя в режиме квадратора не превышает ±0,01 % в диапазоне входных напряжений ±10 В.
Частотная характеристика АП исследовалась на нагрузке сопротивлением 50 Ом. Отметим, что частота среза АЧХ собственно множительного ядра (при токовом выходе) составляет 1,5 ГГц при сопротивлении нагрузки 50 Ом. Снижение полосы пропускания (до 1 ГГц) обусловлено низким качеством транзисторов p-n-p-типа, однако использование схемотехнического способа снижения влияния емкости коллектор-база p-n-p транзисторов дает вполне приемлемый результат по полосе пропускания [14].

Рис. 5.4. Упрощенная принципиальная схема низковольтного АП
Аналогично предыдущему случаю исследовались характеристики низковольтного АП (рис. 5.4), выполненного на транзисторах АБМК.1 (НПО «Интеграл»). Его погрешность в режиме квадратора не превышает ±0,008 % в диапазоне входного напряжения ±1 В (рис. 5.5).

Рис. 5.5. Погрешность низковольтного перемножителя в режиме квадратора
Амплитудно-частотные характеристики каналов X
и Y
приведены на рисунке 5.6 (нижний график), разность фаз между каналами перемножителя – на верхнем графике. Разность фаз между каналами не превышает ±0,1о
вплоть до частоты 100 МГц, что позволяет использовать такие перемножители в синхронных узкополосных фильтрах [15, 16].

Рис. 5.6. Амплитудно-частотная и фазочастотная характеристики
низковольтного АП
Принципиальная электрическая схема низковольтного АП на основе элементной базы АБМК НПО «Интеграл» приведена на рисунке 5.7. На ней показаны реальные элементы (транзисторные ячейки Джильберта), часть транзисторов которых не используется. Также показаны неиспользуемые полевые транзисторы, интегрированные при изготовлении с боковыми транзисторами p-n-p-типа [13]. Такое представление схемы при моделировании позволяет учесть влияние паразитных элементов, существующих на подложке АБМК, и получить результаты, адекватные практической реализации. Эта схема АП выпущена в виде опытной партии, и ее характеристики практически полностью совпадают с параметрами АП AD834 фирмы AnalogDevices.
Важным параметром АП является частотная характеристика по каналам Х
и Y
. Причем, если АП используется в качестве балансного перемножителя или фазового детектора, важным становится и такой параметр, как согласованность фазовых характеристик каналов. Действительно, если между каналами существует фазовый сдвиг j, то при подаче на входы опорного и измерительного сигнала с заведомо известным фазовым сдвигом p/
2 напряжение на выходе АП может быть представлено как
.
Постоянная составляющая в этом случае может быть представлена через синус дополнительного угла:
,
если фазовый сдвиг j достаточно мал.
В этом случае погрешность выделения фазы пропорциональна фазовому сдвигу между каналами. Например, при j = 1о
погрешность, отнесенная к максимальному выходному напряжению, составит 1,74 % [3]. Справедливым оказывается и обратное утверждение – погрешность линейности перемножителя порождает дополнительное постоянное напряжение на выходе, которое эквивалентно фазовой погрешности. В лучших зарубежных образцах АП [17, 18] рассогласование фаз между каналами нормируется на частоте 3,58 МГц и составляет 0,2о
. В общем случае рассогласование фазочастотных характеристик (ФЧХ) каналов начинает существенно увеличиваться вблизи частоты среза. Коррекцию ФЧХ можно осуществить двумя способами – введением запаздывания в одном из каналов или опережения – в другом. Вводить запаздывание целесообразно в том случае, если частоты среза в каналах отличаются несущественно, чтобы общая полоса пропускания АП изменилась незначительно.

Рис. 5.7. Принципиальная электрическая схема низковольтного АП
на основе элементной базы АБМК НПО «Интеграл»
Таблица 5.1
Характеристики аналоговых перемножителей
| Характеристики |
Типы аналоговых перемножителей напряжения(производитель) |
AD632А
(AD)
|
AD835AN/AR
(AD)
|
AD834J
(AD)
|
525ПС1
(RUS)
|
Рис. 5.1
(Пульсар)
|
Рис. 5.4
(Интеграл)
|
Коэффициент
передачи
|
 |
мА |
мА |
 |
 |
мА |
| Ошибка перемножения, % |
±1
(Х
и У
<10 В)
|
– |
±0,5
(Х
и У
<1 В)
|
±1 |
±0,01 |
±0,008 |
Нелинейность
по каналу Х
, %
|
±0,4
(Х
=20 мВ,
У
=10 В)
|
±0,3
(Х
=±1В,
У
=1 В)
|
±0,5 |
– |
±0,015 |
±0,01 |
Нелинейность
по каналу У
, %
|
±0,2
(У
=20 мВ,
Х
=10 В)
|
±0,1
(У
=±1В,
Х
=1 В)
|
±0,5 |
– |
±0,015 |
±0,01 |
| Прямое прохождение, f
=50 Гц, Х
=0 (Y
=0), дБ, Y
=1 В (Х
=1 В) |
-80 дБ
(-50 дБ)
|
-46
(-60)
|
0,2 % (0,1 %)
(от масштабной шкалы вых.
тока)
|
-46
(-46)
|
-76 дБ
(-50 дБ)
|
-80 дБ
(-60 дБ)
|
Полоса пропускания
(-3дБ), МГц
|
1 |
250 |
500
(в режиме
удвоителя
частоты
|
1 |
1000 |
320 |
Разность фаз между каналами X
и У
,
не более, град
(в полосе частот)
|
– |
0,2
(на частоте
3,58 МГц)
|
– |
– |
– |
±0,1
(до частоты
100 МГц)
|
| Скорость нарастания, В/мкс |
20 |
1000 |
– |
– |
– |
600 |
Подавление несущей
в режиме балансного смесителя, дБ (частота несущей)
|
– |
-70 (10 МГц)
-40 (50 МГц)
|
-70 (10 МГц)
-50 (100 МГц)
|
-46 |
-70
(10 МГц)
-50
(100 МГц)
|
-70 (10 МГц)
-50 (100 МГц)
|
| Спектральная плотность шума, нВ/Ö`Гц |
800 |
50 |
16 |
– |
20 |
12 |
| Максимальное выходное напряжение, В |
± 11 |
Макс. вых. ток
7,5 мА
|
Макс. вых. ток
8,4 мА
|
– |
±10 |
Макс. вых. ток 4 мА |
| Выходное сопротивление, Ом |
0,1 |
– |
– |
30 |
– |
Максимальное входное напряжение
(при заданной линейности), В
|
±10 |
±1,4 |
±1,3 |
±10 |
±10 |
±1 |
| Входной ток, мкА |
0,8 |
10 |
45 |
– |
40 |
30 |
Разность входных
токов, мкА
|
0,1 |
2 |
– |
– |
2 |
1 |
| Входное сопротивление, МОм |
10 |
0,1 |
0,025 |
0,02 |
0,02 |
0,025 |
Напряжение
питания, В
|
± 15 |
±5 |
± 4 ¸± 9 |
±15 |
±15 |
±5 |
| Потребляемый ток, мА |
4 |
16 |
11 от +Епит
28 от -Епит
|
5,6 |
18 |
16 |
В таблице 5.1 приведены параметры аналоговых перемножителей, выпускаемых отечественной и зарубежной промышленностью и разработанных на основе рассмотренных методов. Характеристики разработанных АП получены по результатам моделирования. Статистичекие исследования в среде PSpice, проведенные по методу Монте-Карло и для наихудшего случая для разброса параметров компонентов ± 5 %, показывают, что параметры ухудшаются не более чем в 3 раза.
Особое место в ряду рассматриваемых АП занимают перемножители для очень низкого напряжения питания – не более ± 1,5 В. В этом случае на возможность использования линеаризующих цепей накладываются ограничения по синфазному сигналу. Так, если в качестве базовой взять схему АП, приведенную на рисунке 2.2, допустимый диапазон изменения сигнала на входах можно определить следующим образом.
Диапазон допустимого синфазного сигнала для различных полярностей сигнала Х
:
– для положительной полярности

– для отрицательной полярности
,
где U
ИТ
– падение напряжения на источнике тока I
0
, поэтому меньшее по абсолютной величине значение и будет определять допустимый синфазный диапазон входного напряжения.
Допустимое синфазное напряжение для входа Y
также различно для положительной и отрицательной полярности напряжения UY
:
– для отрицательной полярности

– для положительной полярности
.
Для обеспечения максимально возможного диапазона линейного изменения выходного напряжения необходимо выполнить условие:

Легко показать, что при напряжениях питания ±15 В и токе I
0
= 0,5 – 2 мА реально обеспечить возможность работать с напряжениями но при низких напряжениях питания (например, ±5 В) эти напряжения не могут быть больше 1-2 В, а при напряжении питания ±1,5 – всего лишь 50-100 мВ.
При построении перемножителей напряжения на основе транзисторов, выполненных по технологии SiGe (кремний на германии) [20], имеющих, как правило, очень низкое пробивное напряжение, проблема применения линеаризующих цепей стоит наиболее остро. Очевидно, что применение линеаризации в ПНТ требует увеличения напряжения питания на один-два перехода база-эмиттер, что не всегда допустимо.
При исследовании АП, выполненного на основе транзисторов SGB25 (npnVp) [20] с максимальным напряжением U
КЭ
< 3 В по схеме АП (рис. 2.2), были получены следующие результаты.
Линейность перемножителя оценивалась следующим образом. На один из входов, например Y
, подавалось постоянное напряжение, а на вход X
– изменяющееся в заданном диапазоне. Изменяющееся напряжение подается дифференциально, а оценка линейности производится следующим образом:
%,
где U
ВЫХ
– парафазное выходное напряжение перемножителя; U
Х
– дифференциальное входное напряжение, К
– масштабный коэффициент перемножителя.
Результаты моделирования (в среде Cadence) при UY
= 100 мВ и UX
= ± 100 мВ и RН
= 50 Ом приведены на рисунке 5.8. Максимальное выходное напряжение составляет 22 мВ, что соответствует масштабному коэффициенту преобразования К =
4,5. Отклонение от линейности составляет ± 0,022 %. Столь высокая линейность объясняется полной симметрией схемы и взаимной компенсацией нелинейности преобразования разности напряжений база-эмиттер и напряжения коллектор-база (напряжение коллектор-база транзисторов при питании от ±1,5 В становится отрицательным при UX
> 80 мВ, однако сохраняется активный режим работы транзистора – без насыщения).
На рисунке 5.9 представлены графики, характеризующие частотные свойства перемножителя. Полоса пропускания перемножителя по уровню –3дБ составляет 25 ГГц (при частоте fT
= 80 ГГц).
Как уже отмечалось, проблема построения высоколинейного перемножителя для низковольтных питающих напряжений достаточно сложна. Обычно цепи компенсации, повышающие линейность перемножителя, тем или иным способом измеряют ток в преобразователе «напряжение-ток» и формируют компенсирующее воздействие. В этом случае, как правило, требуется последовательное включение в цепи коллекторов дополнительных диодов, что потребует повышения питающих напряжений [6]. На рисунке 2.9 представлена схема балансного смесителя, способная работать при напряжении питания не более 3U
БЭ
. Линейность этой схемы можно оценить с помощью выражений (2.1) и (2.3), а крутизну преобразования – с помощью выражений (5.1) и (5.2):

Рис. 5.8. График изменения выходного напряжения перемножителя
(кривая 1) и отклонение от линейности в % (кривая 2), выполненного
по схеме (рис. 2.2) на транзисторах типа SGB25

Рис. 5.9. АЧХ и ФЧХ перемножителя по схеме (рис. 2.2)
на транзисторах типа SGB25
(5.1)
(5.2)

Рис. 5.10. Низковольтный балансный смеситель

Рис. 5.11. График изменения выходного напряжения смесителя (1)
и отклонение от линейности в % (2) при входном сигнале 50 мВ

Рис. 5.12. Логарифмические АЧХ (1) и ФЧХ (2) смесителя
Линейность смесителя оценивалась по той же методике, что и линейность перемножителя при уровне входного сигнала 50 мВ. Как и следовало ожидать, нелинейность весьма высока и превышает 6 %.
Логарифмические АЧХ и ФЧХ сняты при управляющем воздействии 175 мВ, при этом частота среза составила 24,7 ГГц при R
Н
= 50 Ом.
Балансный смеситель, схема которого представлена на рисунке 5.10, обладает низким диапазоном входного сигнала при заданной линейности – не более 50 мВ. Проблему линеаризации такого смесителя и, по сути, превращения его в линейный перемножитель можно решить следующим образом. Как и в случае с перемножителем на основе множительного ядра Джильберта линеаризацию передаточной характеристики дифференциального каскада можно осуществить логарифмированием входного сигнала (рис. 5.13). Причем каналы X
и Y
в этом случае остаются абсолютно симметричны, и длина электрического пути для сигналов UX
и UY
одинакова.

Рис. 5.13. Схема перемножителя, полученная модифицированием схемыбалансного смесителя
Результаты моделирования схемы АП (рис. 5.13) представлены на рисунках 5.14–5.15.

Рис. 5.14. Отклонение от линейности линеаризованного смесителя (в %)

Рис. 5.15. Логарифмические АЧХ (1) и ФЧХ (2)
линеаризованного смесителя
Отклонение от линейности линеаризованного смесителя не превышает 0,7 % при входном напряжении 100 мВ.
Полоса пропускания по уровню -3 дБ составляет 46 ГГц. Столь большой выигрыш в полосе пропускания схемы (рис. 5.13) объясняется тем, что множительное ядро работает при токах, соответствующих максимуму частотных свойств применяемых транзисторов. Токи входных логарифмирующих каскадов выбраны достаточно большими, чтобы выполнялось условие:
.
Проблема, которая требует решения при использовании низковольтных транзисторов SiGe, – это переход к одиночному (не парафазному) выходу. В этом случае должны быть использованы транзисторы p-n-p-типа, а их свойства на порядок хуже, чем свойства транзисторов SiGen-p-n-типа.
Полученные результаты показывают, что возможности современной аналоговой микросхемотехники позволяют значительно уменьшить, а в ряде случаев и минимизировать влияние технологических погрешностей аналоговых компонентов на характеристики и параметры перемножителей.
Выводы и рекомендации
1. Наиболее существенная погрешность АП обусловлена нелинейностью преобразователей напряжение-ток, объемными сопротивлениями баз транзисторов и изменениями температуры.
Погрешности, обусловленные технологическим рассогласованием характеристик транзисторов, могут быть скомпенсированы в процессе настройки (балансировки) схемы при проектировании и изготовлении устройства на основе АП, для чего корпус микросхемы должен содержать дополнительные выводы.
2. Для снижения погрешности преобразования «напряжение-ток» наиболее целесообразно использовать методы параметрической компенсации влияния режимно зависимых параметров транзисторов.
Предложенный в работе метод оценки погрешности ПНТ удобен как при получении аналитических выражений, так и при моделировании.
3. Необходимо согласовывать объемные сопротивления баз транзисторов множительного ядра перемножителя и экспандера (логарифмирующих диодов).
4. Для компенсации влияния температурных изменений необходимо в процессе моделирования оценить температурный дрейф погрешности перемножения в %/К, затем построить источники тока с необходимым температурным дрейфом для компенсации изменения масштабного коэффициента перемножителя.
5. Коррекцию фазовой идентичности каналов перемножителя можно осуществить подключением RC-цепей параллельно масштабным резисторам преобразователей «напряжение-ток», для чего необходимо предусмотреть соответствующие выводы корпуса интегральной микросхемы.
Проведенный анализ и предлагаемые схемотехнические решения показывают, что на основе интегральной технологии могут быть построены прецизионные четырехквадрантные перемножители, по ряду своих характеристик превосходящие лучшие зарубежные образцы, которые могут найти применение как в радиотехнических устройствах, так и системах автоматики.
Полученные результаты показывают, что возможности современной аналоговой микросхемотехники позволяют значительно уменьшить, а в ряде случаев и минимизировать влияние технологических погрешностей аналоговых компонентов на характеристики и параметры перемножителей.
Библиографический список
1. Аналоговые и цифровые интегральные схемы: справочник / С.В. Якубовский [и др., всего семь человек]; под ред. С.В. Якубовского. – М.: Сов. Радио, 2008. – 336 с., –ил.
2. Тимонтеев, В.Н.. Аналоговые перемножители сигналов в радиоэлектронной аппаратуре / В.Н. Тимонтеев, Л.М. Величко, В.А. Ткаченко. – М.: Радио и связь, 2009.
3. Старченко, Е.И. Аналоговые перемножители напряжения со стабильной фазовой характеристикой / Е.И. Старченко, А.Д. Щекин // Международный НТЖ «Электроника и связь». – Киев, 2007. – № 14. – С. 117–122.
4. Херпи, М. Аналоговые интегральные схемы / М. Херпи; пер. с англ. – М.: Радио и связь, 2007.
5. Henn, C. New UltraHigh-Speed Circuit Techniqueswith Analog ICs / Christian Henn // Burr-Brown International GmbH. – Burr-Brown Corporation, AB-183. Printed in U.S.A. May, 2008.
6. Старченко, Е.И. Принципы проектирования низковольтных прецизионных аналоговых перемножителей напряжения [Текст] / Е.И. Старченко // Альтернативные естественно возобновляющиеся источники энергии и энергосберегающие технологии, экологическая безопасность регионов: Выездная сессия Секции энергетики Отделения энергетики, машиностроения и процессов управления РАН: Материалы сессии, Ессентуки, 12–15 апреля 2007. В 2-х ч. Ч. 2 / под ред. Я.Б. Данилевича. – Шахты: Изд-во ЮРГУЭС, 2007. – С. 155–163.
7. Starchenko, E.I. Low-Voltage Precision Analogue Multiplier with wide Frequency Range/ E.I. Starchenko, O.V. Dvornikov, D.I. Shchyokin. – (электронныйресурс) – 2nd
IEEE International Conference on Circuits and Systems for Communications. Moscow, 2009 (156.pdf).
8. Шац, С.Я. Элементы теории операционных усилителей. Ч. 2 / С.Я. Шац, В.Ф. Ламекин, А.Н. Майборода // Зарубежная радиоэлектроника. – 2008. – № 2. – С. 97–116.
9. Pat. 4,322,688 US. Cascode Fid-Forward amplifier / Kennet G. Schltzhauer, 2008.
10. Пат. № 2287892, Российская Федерация, МПК 7 H0 3А 3/45. Преобразователь напряжение-ток / Е.И. Старченко, А.И. Гавлицкий; заявитель и патентообладатель – Южно-Рос. гос. ун-т экономики и сервиса. – № 2005114551/09 (016692); заявл. 13.05.06 г., опубл. 20.11.08, Бюл. № 32. – 6 с.: ил.
11. Henn, Christian. Current or voltage feedback: the choice is yours with the new, flexible, wide-band operational amplifier OPA622/ Christian Henn, Andreas Sibrai. – AN-186-Burr-Brown Corporation, October, 2008.
12. Разевиг, В.Д. Система сквозного проектирования электронных устройств DesigLab 8.0 / В.Д. Разевиг. – М.: Солон-Р, 2008. – 704 с.: ил. – (Серия «Системы проектирования»).
13. Дворников, О.В. Аналоговый биполярно-полевой БМК с расширенными функциональными возможностями / О.В. Дворников, В.А. Чеховской // ChipNews. – № 2. – 2008. – С. 21–23.
14. Prokopenko, N.N. Method of rising the upper level frequency limit of wide-band amplifier / N.N. Prokopenko, E.I. Starchenko // 1st
IEEE International Conference on Circuit and System for Communication. – St. Pe-tersburg, 2007. – Рp. 24–27.
15. Литюк, В.И. Особенности анализа помехоустойчивых узкополосных систем передачи информации / В.И. Литюк; под ред. Н.Н. Прокопенко // Проблемы современной аналоговой микросхемотехники. Сборник материалов V международного научно-практического семинара. –Шахты: Изд-во ЮРГУЭС, 2008. – С. 24–27.
16. Крутчинский, С.Г. Прецизионные перестраиваемые каналообразующие фильтры диагностических комплексов / С.Г. Крутчинский, Е.И. Старченко // Известия ТРТУ. Тематический выпуск «Актуальные проблемы производства и потребления электроэнергии». – Таганрог: Изд-во ТРТУ, 2007. – № 11(55). – С. 153–160.
17. Henn, C. New UltraHigh-Speed Circuit Techniqueswith Analog ICs / Christian Henn, Burr-Brown International GmbH. – Burr-Brown Corporation, AB-183. Printed in U.S.A. May, 2008.
18. Real-Time Analog Computational Unit(ACU). AN AD538 / http://www.analog.com. Analog Devices, Inc, 2009.
19. Старченко, Е.И. Схемотехника мостовых прецизионных преобразователей напряжение-ток / Е.И. Старченко, А.И. Гавлицкий; под ред. Н.Н. Прокопенко // Проблемы современной аналоговой микросхемотехники: сб. материалов V Международного научно-практического семинара. – Шахты: Изд-во ЮРГУЭС, 2007. – С. 54–59.
20. Gomeniuk, Y.V. Properties of SiGe/Si heterostructures fabricated by ion implantation technique / Y.V. Gomeniuk, V.S. Lysenko, I.N. Osiyuk, I.P. Tyagulski, et al.// Semiconductor Physics, Quantum Electronics and Optoelectronics. – 2008. – № 3. – P. 74–80. – Engl. Il.: 8. Ref.: 16.
|