БЕЛОРУССКИЙ ГОСУДАРСТВЕННЫЙ УНИВЕРСИТЕТ ИНФОРМАТИКИ И РАДИОЭЛЕКТРОНИКИ
Кафедра РТС
РЕФЕРАТ
На тему:
"Аналого-цифровая следящая система.
Цифровые временные фазовые дискриминаторы
"
МИНСК, 2008
В цифровых системах радиоавтоматики обработка сигналов производится цифровыми методами, а их реализация – на элементах цифровой схемотехники.
Рассмотрим достоинства и недостатки цифровых систем.
К достоинствам можно отнести высокую технологичность настройки, высокую надежность, возможность реализации оптимальных алгоритмов обработки, достаточно низкую стоимость, гарантированную точность, стабильность параметров.
Недостатки цифровых систем связаны с дискретизацией по времени и квантованию по уровню, что приводит к возникновению шумов квантования.
Функциональная схема цифровой системы представлена на рис.1.

Рис.1. Функциональная схема цифровой следящей системы:
ЦД – цифровой дискриминатор; ЦФ – цифровой фильтр; ЦГОС – цифровой генератор опорного сигнала.
Цифровые системы радиоавтоматики классифицируют по тем же признакам, что и аналоговые системы. Дополнительным признаком классификации является место аналого-цифрового преобразования. Различают системы, в которых АЦП производится вне контура регулирования и внутри его. В первом случае на дискриминатор поступают цифровые сигналы, во втором – аналоговые, при этом в дискриминаторе производится аналого-цифровое преобразование и на выходе дискриминатора формируется цифровой сигнал.

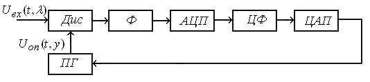
Рис.2. Функциональная схема аналого-цифровой следящей системы.
Функциональная схема аналого-цифровой следящей системы приведена на рис.2.
Фильтр Ф ограничивает ширину спектра сигнала на выходе дискриминатора, что необходимо для дальнейшего аналого-цифрового преобразования. Основная фильтрация производится цифровым фильтром ЦФ, который позволяет обеспечить идеальное интегрирование, реализовать оптимальные алгоритмы фильтрации. Рассмотрим функции АЦП.
АЦП предназначен для преобразования напряжения, пропорционального сигналу ошибки, в цифровой код. АЦП выполняет две операции:
дискретизацию по времени, при этом U(t) – непрерывная функция преобразуется в дискретную функцию U(kT); квантование по уровню:

где ΔUкв – дискрет квантования по уровню; n – число, соответствующее данному уровню.
Операция квантования по уровню и замена квантованного напряжения кодом, может быть представлена как нелинейная операция (рис.3)

Рис.3.
Цифровой фильтр ЦФ преобразует последовательность чисел, поступающую на вход , в сглаженную последовательность . Без учета операции округления его работу можно описать разностным уравнением
,
где W(c) – операторный коэффициент передачи цифрового фильтра;
n(kT) – преобразованная последовательность чисел; .
ЦАП осуществляет преобразование кода в напряжение
,
где ΔU – шаг преобразования, определяет приращение напряжения на выходе при изменении кода на единицу; h(t - kT) – импульсная характеристика фиксатора.
Если применяется фиксатор нулевого порядка то

Процесс цифро-аналогового преобразования можно разделить на две операции:
формирование последовательности δ-функций, модулированных входным числом;
подача этих модулированных δ-функций на фильтр, реакцией которого является импульсная характеристика (весовая функция).
Все остальные элементы системы функционируют аналогично непрерывной системе.
Структурная схема аналого-цифровой следящей системы приведена на рис.4.

Рис.4. Структурная схема аналого-цифровой следящей системы.
Цифровые временные дискриминаторы
При аналого–цифровом преобразовании внутри контура регулирование находит применение схема (рис.5).

Рис.5. Схема временного дискриминатора.
Временные диаграммы работы схемы приведены на Рис.6.

Рис.6. Временные диаграммы функционирования дискриминатора.
Если временная ошибка слежения равна нулю, то импульсы 4 и 5 будут равной длительности. Величина ошибки пропорциональна разности длительностей импульсов 4 и 5. Для преобразования ошибки в код используется генератор счетных импульсов ГСИ, формирующий частоту заполнения. На выходе реверсивного счетчика формируется код, пропорциональный разности длительностей 4 и 5, т.е. величине ошибки слежения.
Схема, используемая при аналого-цифровом преобразовании вне контура регулирования, приведена на рис.7.

Рис.7. Схема дискриминатора при аналого-цифровом преобразовании вне контура регулирования: Uз – импульс запуска, привязанный по времени к излучаемому сигналу; Uу – импульс приемника.
Перед началом измерения в счетчик заносится оценка задержки, формируемая в фильтре (n1). Счетчик вычисляет разность ,
где
;
─ задержка отраженного импульса; ─ период счетных импульсов.
Задержанным импульсом, привязанным к сигналу приемника, производится считывание числа n и запись нового значения n1. Эквивалентная схема приведена на рис.10.8.

Рис.8. Эквивалентная схема дискриминатора.
Из достаточно большого количества существующих схем цифровых фазовых дискриминаторов познакомимся с двумя схемами, формирующими дискриминационные характеристики треугольной и релейной формы.
Фазовый дискриминатор (рис.9) реализован на схеме сумматора по модулю два. Временные диаграммы, поясняющие принцип формирования дискриминационной характеристики, представлены на рис.10.
 
Рис.9. Схема цифрового фазового дискриминатора.
Рис.10. Временные диаграммы работы дискриминатора.
Установившемуся (синфазному) режиму соответствует постоянное фазовое рассогласование между входным и опорным сигналами, равное , и в контрольной точке 3 длительности импульсов равны длительностям пауз. Чтобы определить разность длительностей импульсов и пауз, пропорциональную величине ошибки, эти длительности преобразуются в код путем их заполнения счетными импульсами, формируемыми генератором счетных импульсов ГСИ. Счетно-импульсный код поступает на реверсивный счетчик РСч, на выходе которого формируется код ошибки.
Эквивалентная схема приведена на рис.11. Схема состоит из двух последовательно включенных звеньев: дискретного элемента ДЭ и нелинейного звена с характеристикой n( ).

Рис.11. Эквивалентная схема цифрового фазового дискриминатора
Схема и временные диаграммы дискриминатора, формирующего характеристику релейного типа, приведены на рис.12.

Рис.12. Схема и временные диаграммы функционирования цифрового фазового дискриминатора релейного типа.
Сигнал с выхода квантователя поступает на элементы “И” непосредственно и через инвертор. На другие входы элементов “И” подается последовательность коротких импульсов, следующих с частотой сигнала. В зависимости от знака рассогласования фазы между входным и опорным напряжениями на соответствующий элемент И подается высокий уровень напряжения и на его выход проходят импульсы опорного сигнала.
Формируя релейную характеристику (рис.13), дискриминатор определяет только знак фазового рассогласования.

Рис.13. Характеристика дискриминатора релейного типа.
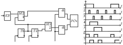
Схема дискриминатора, приведенная на рис.14 может использоваться в системах тактовой синхронизации для формирования сигнала тактовой частоты с цель определения границ элементарных посылок цифрового двоичного сигнала.

Рис.14. Схема и временные диаграммы функционирования дискриминатора для системы тактовой синхронизации.
С помощью триггера Т1 регенерируется входной сигнал методом стробирования. В синфазном режиме стробирование соответствует середине элементарной импульсной посылки. Информация с Т1 записывается в Т2, таким образом, на выходе Т1 и Т2 мы имеем 2 импульсных потока сдвинутых на полтакта. С помощью схем сумматоров по модулю два определяется фазовое рассогласование (эпюры 6,7), преобразуемое в счетно-импульсный код, поступающий на реверсивный счетчик.
ЛИТЕРАТУРА
1. Коновалов. Г.Ф. Радиоавтоматика: Учебник для вузов. – М.: Высш. шк., 2000.
2. Радиоавтоматика: Учеб. пособие для вузов. / Под ред. В.А. Бесекерского. - М.: Высш. шк., 2005.
3. . Первачев С.В. Радиоавтоматика: Учебник для вузов. - М.: Радио и связь, 2002.
4. Цифровые системы фазовой синхронизации / Под ред. М.И. Жодзишского – М.: Радио, 2000.
|