Банк рефератов содержит более 364 тысяч рефератов, курсовых и дипломных работ, шпаргалок и докладов по различным дисциплинам: истории, психологии, экономике, менеджменту, философии, праву, экологии. А также изложения, сочинения по литературе, отчеты по практике, топики по английскому.
Полнотекстовый поиск
Всего работ:
364139
Теги названий
Разделы
Авиация и космонавтика (304)
Административное право (123)
Арбитражный процесс (23)
Архитектура (113)
Астрология (4)
Астрономия (4814)
Банковское дело (5227)
Безопасность жизнедеятельности (2616)
Биографии (3423)
Биология (4214)
Биология и химия (1518)
Биржевое дело (68)
Ботаника и сельское хоз-во (2836)
Бухгалтерский учет и аудит (8269)
Валютные отношения (50)
Ветеринария (50)
Военная кафедра (762)
ГДЗ (2)
География (5275)
Геодезия (30)
Геология (1222)
Геополитика (43)
Государство и право (20403)
Гражданское право и процесс (465)
Делопроизводство (19)
Деньги и кредит (108)
ЕГЭ (173)
Естествознание (96)
Журналистика (899)
ЗНО (54)
Зоология (34)
Издательское дело и полиграфия (476)
Инвестиции (106)
Иностранный язык (62791)
Информатика (3562)
Информатика, программирование (6444)
Исторические личности (2165)
История (21319)
История техники (766)
Кибернетика (64)
Коммуникации и связь (3145)
Компьютерные науки (60)
Косметология (17)
Краеведение и этнография (588)
Краткое содержание произведений (1000)
Криминалистика (106)
Криминология (48)
Криптология (3)
Кулинария (1167)
Культура и искусство (8485)
Культурология (537)
Литература : зарубежная (2044)
Литература и русский язык (11657)
Логика (532)
Логистика (21)
Маркетинг (7985)
Математика (3721)
Медицина, здоровье (10549)
Медицинские науки (88)
Международное публичное право (58)
Международное частное право (36)
Международные отношения (2257)
Менеджмент (12491)
Металлургия (91)
Москвоведение (797)
Музыка (1338)
Муниципальное право (24)
Налоги, налогообложение (214)
Наука и техника (1141)
Начертательная геометрия (3)
Оккультизм и уфология (8)
Остальные рефераты (21692)
Педагогика (7850)
Политология (3801)
Право (682)
Право, юриспруденция (2881)
Предпринимательство (475)
Прикладные науки (1)
Промышленность, производство (7100)
Психология (8692)
психология, педагогика (4121)
Радиоэлектроника (443)
Реклама (952)
Религия и мифология (2967)
Риторика (23)
Сексология (748)
Социология (4876)
Статистика (95)
Страхование (107)
Строительные науки (7)
Строительство (2004)
Схемотехника (15)
Таможенная система (663)
Теория государства и права (240)
Теория организации (39)
Теплотехника (25)
Технология (624)
Товароведение (16)
Транспорт (2652)
Трудовое право (136)
Туризм (90)
Уголовное право и процесс (406)
Управление (95)
Управленческие науки (24)
Физика (3462)
Физкультура и спорт (4482)
Философия (7216)
Финансовые науки (4592)
Финансы (5386)
Фотография (3)
Химия (2244)
Хозяйственное право (23)
Цифровые устройства (29)
Экологическое право (35)
Экология (4517)
Экономика (20644)
Экономико-математическое моделирование (666)
Экономическая география (119)
Экономическая теория (2573)
Этика (889)
Юриспруденция (288)
Языковедение (148)
Языкознание, филология (1140)

Курсовая работа: Автомобільний охоронний сигналізатор на мікроконтролері

Название: Автомобільний охоронний сигналізатор на мікроконтролері
Раздел: Рефераты по коммуникации и связи
Тип: курсовая работа Добавлен 14:26:37 26 января 2009 Похожие работы
Просмотров: 1838 Комментариев: 14 Оценило: 3 человек Средний балл: 5 Оценка: неизвестно     Скачать

ЗМІСТ

ВСТУП

1. ТЕХНІЧНІ ХАРАКТЕРИСТИКИ

2. ОГЛЯД ТА АНАЛІЗ АНАЛОГІВ

2.1 Структурна схема охоронного сигналізатора на транзисторах

2.2 Опис принципу роботи охоронного сигналізатора на транзисторах

2.3 Опис принципу роботи електронного автосторожа

3. ПРОЕКТНО-КОНСТРУКТОРСЬКИЙ РОЗДІЛ

3.1 Розробка структурної схеми

3.2 Розробка функціональної схеми

3.3 Опис принципу дії

3.4 Електричні розрахунки

4. РОЗРАХУНОК НАДІЙНОСТІ

ВИСНОВКИ

ЛІТЕРАТУРА

ДОДАТКИ

ДОДАТОК 1.

ДОДАТОК 2.

ДОДАТОК 3.


В наші часи потреба захистити автомобіль стає все більш актуальною, оскільки почастішали згідно статистики МВС України кількість крадіжок та зломів на душу населення. За деякими статистичними даними в світі кожні десять секунд крадуть по автомобілю. Причому вкраденим може бути абсолютно будь-який автомобіль.

Мета охоронної сигналізації – дати знати господарю про можливу спробу викрадення автомобіля або привернути увагу людей, що знаходяться поряд з машиною, що повинне налякати викрадачів. Найкращий варіант автосигналізації, коли навіть ті люди, які її створили або встановлювали, не здатні її обійти, так щоб вона не спрацювала.

Для того, щоб відкрити автомобіль, викрадачі найчастіше користуються наступними способами: підбором ключів, віджиманням або зняттям стекол або ж простим штовханням незачинених дверей, відключенням живлення.

Злодії часто використовують пастку, яку називають «розгойдування клієнта», тобто автомобіліста вимушують відключити сигналізацію, переконуючи його у тому, що сигналізація несправна. Викрадачі протягом декількох днів настирливо добиваються спрацьовування сигналізації. Такі дії вимушують автомобіліста завагатися в справності сигналізації і відключити її, відкриваючи дорогу викрадачу. Щоб не опинитися в подібній ситуації, автомобільний охоронний сигналізатор на мікроконтролері PIC16F84A створений так що сигналізація спрацьовує лише в тому випадку, коли на автомобілі відкриваються двері, капот або кришка багажника, у такому випадку блокується замок запалення, що не дає змогу викрадачам завести машину.

Отже, мета даного курсового проекту є розробка системи автомобільного охоронного сигналізатора на мікроконтролері PIC16F84A, завдяки якому наш пристрій схемо технічно стає дуже простим, економним і надійним. Також додається можливість вводити нові вузли та змінювати часові відношення, за допомогою корегування програми мікроконтролера.

ТЕХНІЧНІ ХАРАКТЕРИСТИКИ

Розробка будь-якого електронного пристрою або системи повинна починатися із технічних вимог. Автомобільний охоронний сигналізатор, що розробляється в даному курсовому проекті повинен задовольняти наступним технічним характеристикам, які фігурують у завданні на курсовий проект:

Напруга живлення, В 12
Максимальний струм споживання, мА 25
Струм споживання в охоронному режимі, мА 3
Напруга живлення мікросхем, В 5
Тактова частота мікроконтролера, МГц 4
Верхня температурна межа, о С 85
Нижня температурна межа, о С -40
Напруга живлення мікроконтролера, В 4…6
Вологість повітря, % 70…90
Умови експлуатації стаціонарні Автофургонні

2. ОГЛЯД ТА АНАЛІЗ АНАЛОГІВ

Перед тим як почати характеризувати розроблену мною схему автомобільного охоронного сигналізатора на мікроконтролері, я б хотів описати принцип роботи пристрою, який має подібне функціональне призначення. Саме він і став основою для розробки моєї схеми. А вона, в свою чергу, є його логічним продовженням, оскільки призначення в неї майже таке саме, але функціональні можливості вже набагато ширші і більш пристосовані до сучасних умов життя.

2.1 Структурна схема охоронного сигналізатора на транзисторах

Рис. 2.1. Структурна схема аналога[8]

Структура розглядуваного аналога складається з:

– акумулятора (+12В);

– тумблера, який слугує для ввімкнення та вимкнення сигналізації;

– реле звукових сигналів;

– електронного ключа, який періодично включає реле звукових сигналів;

– таймера, який контролює тривалість сигнальних посилок і паузу між ними;

– датчика гойдань, який відслідковує, щоб автомобіль стояв на місці;

– мультивібратора.

На рис. 2.1 представлена структурна схема автомобільного охоронного пристрою на транзисторах. Джерелом живлення даного пристрою слугує звичайний автомобільний акумулятор напругою 12 В. Вмикається спеціальною прихованою кнопкою.

2.2 Опис принципу роботи охоронного сигналізатора на транзисторах

Автомобільний охоронний пристрій на транзисторах встановлюється усередині салону автомобіля і забезпечує включення звукового сигналу при проникненні стороннього в автомобіль.

Основні технічні характеристики пристрою:

· час переходу в режим охорони від 7 до 10 секунд.

· час затримки спрацювання сигналізації від 5 до 7 секунд.

· тривалість звучання сигналу тривоги від 60 до 120 секунд.

· тривалість звукової посилки 0,5 секунд.

· тривалість паузи 1,5 секунд.

· струм споживання в режимі охорони не більше ніж 3 мА.

Принципова електрична схема автомобільного охоронного пристрою на транзисторах приведена на рис. 1.1 (див. Додаток 1).

Розглянемо принцип дії даного пристрою. Перед виходом з автомобіля водій включає тумблер SA1, встановлений в потайному місці. При цьому напругою +12 V, яка йде від акумулятора, через резистор R2 опором 5-10 МОм відбувається заряд конденсатора С1. Час заряду конденсатора С1 приблизно складає 7-10 с. За цей час водій повинен вийти з автомобіля і закрити за собою двері. Після заряду конденсатора С1 відкривається польовий транзистор VT1, і на стік транзистора VT2 поступає напруга негативної полярності, оскільки негативна клема акумулятора заземлена на корпус автомобіля. На затвор транзистора VT2 подається «замикаючий» позитивний потенціал, який створюється падінням напруги на резисторі R3. Струм, споживаний автомобільним охоронним пристроєм в режимі охорони, складає одиниці міліампер, а саме 3 мА.

При відкритті дверей водія, замикаються контакти вимикача SB1, а при гойданні автомобіля спрацьовує датчик гойдання SB2, при цьому через резистор R1 на затвор транзистора VT2 поступає напруга, що відкриває його. Струм, що протікає через резистор R1, швидко заряджає «запам’ятовуючий» конденсатор С2, який протягом 1-2 хвилин підтримуватиме транзистор VT2 у відкритому стані, навіть тоді коли розімкнуться контакти вимикача SB1 і датчика SB2. Струм, що протікає через відкритий транзистор VT2 і резистор R6, заряджає конденсатор СЗ. За час 5–7 секунд напруга на ньому досягає 4 В. Якщо за цей час тумблер SA1 не буде вимкнений, то мультивібратор, зібраний на транзисторах VT3, VT4, із загальмованого стану перейде в автоколивальний режим. При цьому електронний ключ на транзисторі VT5 періодично включатиме реле звукових сигналів К1. Контактами цього реле включається штатний сигнальний пристрій автомобіля.

При відкритті решти дверей автомобіля (окрім дверей водія), капота, кришки багажника замикаються вимикачі SB3 - SBn. При цьому конденсатор СЗ миттєво заряджає до напруги живлення, що приводить до негайного спрацьовування звукової сигналізації автомобіля.

Настройка охоронного сторожа полягає в установці тривалості і періодичності повторення звукових сигналів. Час звучання звукової сигналізації після закриття дверей автомобіля може регулюватися підбором місткості конденсатора С2. Тривалість сигнальних посилок і пауза між ними визначаються місткостями конденсаторів С4 і С5. Для вказаних на схемі номіналів цих елементів тривалість звучання і паузи відповідно рівні 0,5 і 1,5 секунд.

При монтажі схеми слід користуватися заземленим паяльником, інакше його електростатичний потенціал може вивести з ладу польові транзистори VT1 і VT2. У схемі польові транзистори VT1, VT2 типу КП103 можна замінити на КП301, а транзистор VT5 типу КТ816Б – на КТ818А або КТ837. Всі електролітичні конденсатори в схемі повинні бути з малими струмами витоку. Можна використовувати конденсатори типів К52, К53 з різними індексами. У автомобілях, не обладнаних реле К1, яке дає включення звукових сигналів, необхідно встановити додаткове реле типу РС-527, використовуване в ланцюзі включення фар автомобіля, або реле стартера типу РС-507Б.

2.3 Опис принципу роботи електронного автосторожа

Пропонований автомобільний охоронний пристрій, який називають електронним автосторожом, при напрузі живлення 12В споживає від батареї акумуляторів в охоронному режимі струм не більше 180 мкА.

Схема автосторожа зображена на рис. 2.2. Після включення живлення тумблером SА1 поступає напруга до вузлів сторожа і починається повільна зарядка конденсатора С6 через резистор R11. В цей час на виході інвертора DD1.4 діє низький рівень, конденсатори С3 і С4 розряджені. Йде витримка часу, протягом якої власник автомобіля може вийти з салону і закрити за собою двері. Через відрізок часу, рівний = 0,7*R11*С6 (час - в секундах, якщо опір в мегаомах, а місткість – в мікрофарадах), на виході інвертора DD1.4 встановиться високий рівень і сторож перейде в черговий режим.

Якщо тепер відкрити кришку багажника або капот, замкнуться контакти SF1 або SF2, на виході інвертора DD1.1 виникне високий рівень і почнеться зарядка конденсатора С4 через резистор R6 і діод VD5, а також конденсатора С3 через діод VD8. Зарядка цих конденсаторів відбудеться також при включенні запалення, при цьому відкриється транзистор VТ1, забезпечуючи низький рівень на вході інвертора DD1.1.

Рис. 2. 2 . Принципова схема електронного автосторожа [ 13 ]

Через короткий час конденсатори С3 і С4 будуть заряджені і на виході інвертора DD1.3 встановиться низький рівень. Далі починає відкриватися транзистор VТ2, що комутує ланцюг реле звукового сигналу автомобіля. Звукові сигнали тривоги повторюються протягом часу біля 0,7*R9*СЗ. Після цього сторож знову переходить в охоронний режим.

При відкритих капоті або багажнику, при включеному запаленні сигнали тривоги подаються до тих пір, поки або не буде знеструмлений сторож тумблером SА1, або не будуть закриті капот, кришка багажника і вимкнено запалення.

Якщо в черговому режимі будуть відкриті двері салону автомобіля, швидко заряджатиметься конденсатор СЗ, а через час 0,7*R10*С4 (7...12 секунд) – конденсатор С4. За цей проміжок часу сторож повинен бути вимкнений, інакше зазвучить тривожний сигнал. Всі тимчасові витримки можуть бути змінені відповідним вибором номіналів часозатримуючих ланцюгів.

Вузол С2R14VD10С7 служить для вирівнювання стрибків напруги в бортовій мережі, що перевищують 15 В, і для захисту від перешкод. Діод VD1 захищає транзистор VT2 від зміни напруги самоіндукції, що може виникати на обмотці реле звукового сигналу. Діод припаяний до виведень цього реле.

Основна печатна плата та схема розміщення елементівданного аналога показана на рис.3.1 (див. Додаток 3).

3. ПРОЕКТНО-КОНСТРУКТОРСЬКИЙ РОЗДІЛ

3.1 Розробка структурної схеми

Структурна схема автомобільного охоронного сигналізатора зображена на кресленні (дивіться графічну частину. Схема електрична структурна) та на рис. 3.1.

Рис. 3.1. Структурна схема автомобільного охоронного сигналізатора.

Розглянувши структуру та принцип функціонування аналога, можна зробити висновок, що для побудови автомобільного охоронного сигналізатора пристрій повинен включати такі основні блоки:

1. мікроконтролер;

2. кварцовий резонатор;

3. світловий сигналізатор;

4. електронний ключ до системи запалення;

5. електронний ключ до сирени;

6. контакти капот-багажник;

7. датчик до замку запалення;

8. стабілізатор;

9. вмикач;

10. акумуляторна батарея.

На рис. 3.1 зображена структурна схема автомобільного охоронного сигналізатора. Джерелом живлення даного пристрою слугує звичайний акумулятор автомобіля напругою 12В, від якої напруга живлення на всі інші елементи схеми подається через стабілізатор напруги.

Умовно всі лінійні інтегральні стабілізатори напруги можна поділити на декілька груп. До однієї групи можна віднести стабілізатори з фіксованою вихідною напругою. Всередині цієї групи вони ще класифікуються за полярністю сформованої на виході напруги (позитивну чи негативну, відносно загального проводу), за величиною вихідної напруги і по максимальному струму, що віддається в навантаження. Перераховані параметри є ключовими.

Іншу групу представляють регульовані стабілізатори, вихідна напруга яких може змінюватись в деяких визначених межах. Вони також розрізняються за полярністю і по вихідному струму. В самостійну групу виділяють багатоканальні стабілізатори, які формують на виході декілька напруг, а подекуди навіть різної полярності. І ще одна група – стабілізатори з відносно малою потужністю, які нерідко характеризуються мінімальною різницею напруг між входом і виходом (впритул до 0,1 В).

В даному приладі стабілізатором напруги слугує інтегральний стабілізатор типу KP1157EH502A, який належить до першої групи вищеперерахованої класифікації, і на виході якого формується напруга живлення +5В. На рис. 2.1 (див. Додаток 2) приведена схема інтегрального стабілізатора напруги, зібраної на ІМС типу KP1157EH502A. Вибір інтегрального стабілізатора напруги був обумовлений його перевагами: високою надійністю, високим ККД, малими розмірами, низькою вартістю.

Саме в якості пристрою керування було використано мікроконтролер фірми „Microchip” (США) – PIC16F84А. Вибір даної мікросхеми ґрунтується на тому, що вона володіє високою швидкодією, широкими функціональними можливостями. Вбудований енергонезалежний запам’ятовуючий пристрій дозволяє записувати та оперативно змінювати величину проміжкової частоти цифрової шкали.

Мікроконтролери підгрупи PIC16F8x відносяться до сімейства 8-розрядних КМОП мікроконтролерів групи PIC16Cxxx, для яких характерна порівняно низька вартість, повністю статична КМОП-технологія та висока продуктивність. Випускаються у корпусах з 18 та 28 виводами, залежно від типу, з попередньо заданим типом зовнішнього генератора тактових імпульсів – кварцовим резонатором чи RC-ланкою.

Всі мікроконтролери підгрупи PIC16F8x використовують гарвардську архітектуру з RISC-процесором, які володіють наступними основними властивостями:

– використовується тільки 35 простих команд;

– всі команди виконуються за один цикл (400 нс при частоті 10 МГц), крім команд переходу, які потребують два цикли;

– робоча частота 0 Гц ... 10 МГц (в даному випадку 4 МГц);

– роздільні шини даних (8 біт) і команд (14 біт);

– 512 14 або 1024 14 біт пам’ять програм, виконана на постійному запам’ятовуючому пристрої (ПЗП) чи електрично перепрограмованій пам’яті типу „Flash”;

– 15 восьми розрядних регістрів спеціальних функцій (SFR);

– Восьми рівневий апаратний стек;

– пряма, непряма і відносна адресація даних і команд;

– 36 або 68 восьмирозрядних регістрів загального призначення (GPR);

– 64 8 біт ПЗП з можливістю електричного перепрограмування (EEPROM) – пам’ять даних з можливістю виконання 1 млн. циклів стирання і перезапису;

– чотири джерела переривань:

а) зовнішній вхід RB0/INT;

б) переповнення таймера TMR0;

в) зміна сигналів на лінія портів RB;

г) завершення запису даних в пам’ять EEPROM;

– збереження даних в EEPROM на протязі, як мінімум, 40 років.

Основні характеристики мікроконтролера PIC16F84А описані в таблиці 3.1.

Таблиця 3.1. Основні характеристики мікроконтролера

Параметр Значення
Максимальна частота задаючого генератора, Мгц 4
Flash-пам’ять програм, байт 1024
Пам’ять даних, байт 68
Пам’ять даних в EEPROM, байт 64
Таймери TMR0
Число джерел переривань 4
Число ліній вводу/виводу 13
Діапазон напруги живлення, В 2,0 – 6,0
Число виводів, тип корпуса 18 DIP, SOIC

Мікроконтролери підгрупи PIC16F8x володіють розвинутими можливостями вводу/виводу:

– 13 ліній вводу/виводу з індивідуальною установкою напрямку обміну;

– високий вхідний/вихідний струм, достатній для управління, наприклад, світлодіодом;

– максимальний вхідний струм – 25 мА;

– максимальний вихідний струм – 20 мА;

– 8-бітний таймер/лічильник TMR0 з 8-бітним попереднім подільником.

Спеціалізовані мікроконтролерні функції мають наступні властивості:

– автоматичний скид при включенні (Power-on-Reset);

– таймер включення при скиді (Power-up Timer);

– таймер запуску генератора (Oscillator Start-up Timer);

– сторожовий (Watchdog) таймер WDT з власним вбудованим генератором, що забезпечує підвищену надійність;

– економний режим Sleep.

Мікроконтролери підгрупи PIC16F8x розрізняються між собою тільки об’ємом і типом пам’яті програм. Наявність у складі підгрупи мікроконтролерів з Flash-пам’яттю полегшує створення і наступну відладку прототипів промислових зразків.

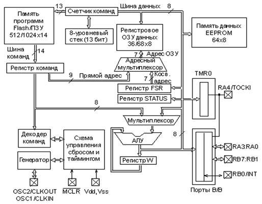
Спрощена структурна схема мікроконтролерів підгрупи PIC16F8x показана на рис. 3.2.

Рис. 3.2. Структурна схема мікроконтролера підгрупи PIC16F8x[10]


Архітектура ґрунтується на концепції роздільних шин та областей пам’яті для даних і для команд (гарвардська архітектура). Шина даних та пам’ять даних (ОЗП) – мають ширину 8 біт, а програмна шина і програмна пам’ять (ПЗУ) – 14 біт. Така концепція забезпечує просту, але ефективну систему команд, розроблену так, що бітові, байтові та регістрові операції працюють з високою швидкістю і з перекриттям за часом вибірок команд та циклів виконання. 14-бітна ширина програмної пам’яті забезпечує вибірку 14-бітної команди в один цикл.

Двоступеневий конвеєр забезпечує одночасну вибірку та виконання команди. Всі команди виконуються за один цикл, крім команд переходу. Програмний лічильник мікроконтролера починає працювати з нульової адреси пам’яті програм. Мікроконтролер PIC16F84А адресує 1024 14 біт пам’яті програм. Вся пам’ять є внутрішньою.

Мікроконтролер може прямо або непрямо звертатись до регістрів чи пам’яті даних. Всі регістри спеціальних функцій, включаючи лічильник команд, відображаються на пам’ять даних.

Ортогональна (симетрична) система команд дозволяє виконувати будь-яку команду над будь-яким регістром із використанням довільного методу адресації. Ортогональна архітектура і відсутність спеціальних виключень дозволяє зробити програмування мікроконтролерів групи PIC16F8x простим та ефективним.

Мікроконтролер містить 8-розрядний арифметико-логічний пристрій (АЛП) та робочий регістр W (див. рис. 3.2). АЛП представляє собою арифметичний модуль загального призначення і виконує арифметичні та логічні функції над вмістом робочого регістра і будь-якого з регістрів контролера. АЛП може виконувати операції додавання, віднімання, зсуву, логічні операції.

Призначення виводів мікроконтролера PIC16F84 приведені в таблиці 3.2.


Таблиця 3.2 . Призначення виводів

Позначення Тип Призначення
OSC1 I Вхід кристала генератора, RC-ланки чи зовнішнього тактового сигналу.
OSC2 O Вихід кристала генератора.
MCLR I/P Сигнал скид/вхід напруги програмування. Скид при низькому рівні.
RA0 I/O

Порт А (RA0...RA4) – двонаправлений порт введення-виведення.

RA4/TOCKI може бути вибраний як тактовий вхід таймера/лічильника TMR0.

RA1 I/O
RA2 I/O
RB0 I/O

Порт В (RB0…RB7) – двонаправлений порт введення-виведення.

Можуть бути запрограмовані в режимі внутрішніх активних навантажень на лінії живлення по всім виводам.

Вивід RB0/INT може бути вибраний як зовнішній вхід переривань.

Виводи RB4…RB7 можуть бути програмно налагоджені як входи переривань станів на будь-якому із входів.

RB1 I/O
RB2 I/O
RB3 I/O
RB4 I/O
RB5 I/O
RB6 I/O
Vdd (+U) P Позитивна напруга живлення.
Vss (-U) P Загальний провід (заземлення).

В таблиці використано наступні умовні позначення:

– І – вхід;

– О – вихід;

– I/O – вхід-вихід;

– Р – живлення.

Вибір мікроконтролера для розробки даного приладу, що проектується ґрунтується на кількох факторах, а саме:

1. легкість створення зручного інтерфейсу, тобто, способу „комунікації” людини з приладом: керування ним та індикацією результату, що важливо для будь-якого вимірювального приладу. Підключаємо рідкокристалічний індикатор, кнопки, а далі – все залежить від програми. Якщо потрібно щось змінити чи добавити – тільки коректуємо програму;

2. будь-який сучасний мікроконтролер може здійснити те, що на жорсткій логіці реалізується досить складно, наприклад, поділити один дріб на інший. В бібліотеці програм для будь-якого контролера ця функція вже є вбудованою;

3. звісно мікроконтролер вже містить деякі додаткові вузли, які можна, так чи інакше, використати для рішення поставленої задачі.

Використання кварцового резонатора найбільш розповсюджений спосіб включення зовнішньої схеми тактового генератора. Ця схема вимагає додатково два конденсатори ємністю від 22 пФ, щоб полегшити запуск тактового генератора. В нашому випадку, після подачі напруги живлення, вмикається тактовий генератор мікроконтролера з кварцовим резонатором, після чого мікроконтролер починає виконувати програму, записану в його запам’ятовуючому пристрої. Також кварцовий резонатор забезпечує стабільну роботу внутрішнього тактового генератора мікроконтролера.

Фільтром нашого ланцюгу живлення є звичайні керамічні конденсатори.

Світлодіод використовується для візуального контролю входження сигналізатора в режим охорони. Він вмикається після закінчення п’ятнадцяти секундної затримки.

3.2 Розробка функціональної схеми

Функціональна схема автомобільного охоронного сигналізатора зображена на кресленні (дивіться графічну частину. Схема електрична функціональна) та на рис. 3.3.

Вона дозволяє обґрунтувати вибір функціонально-конструктивних елементів автоматизованої системи, встановити електричні зв’язки між ними з врахуванням особливостей функціонування пристрою керування.

Основними функціонально-конструктивними вузлами є :

· пристрій керування (мікроконтролер);

· кварцовий резонатор;

· електронний ключ до сирени;

· електронний ключ до системи запалення;

· датчик до замку запалення.


Рис. 3.3. Функціональна схема автомобільного охоронного сигналізатора.

Із схеми можна побачити, що зв’язок між схемами та мікроконтролером здійснюється по одній електричній лінії з’єднання, що забезпечує мінімальну кількість з’єднань мікроконтролера з периферійними блоками.

Роботу мікроконтролера забезпечує внутрішній RC-генератор з керамічним або кварцовим зовнішнім резонатором, який трактується сигналами зовнішньої синхронізації.

Рис.3.4. Підключення кварцового резонатора до мікроконтролера

Найбільш стабільну роботу RC-генератора забезпечує кварцовий резонатор, який підключається до виводів OSC1 та OSC2 як показано на рис.3.4. Ці виводи є відповідно входом і виходом тактового генератора.

Ємності конденсаторів С1 і С2, які підключаються між виводами резонатора і загальним виводом, залежать від частоти і типу резонатора.

Для забезпечення швидкодії мікроконтролера, який у нашому випадку обробляє незначні об’єми інформації обираємо тактову частоту 4 МГц.

Базовий ланцюг транзистора VT1 (датчик до замку запалення) підключають до того контакту системи запалення, на якому при повороті ключа у положення ввімкнено, виникає напруга бортової мережі. Для забезпечення блокування системи запалення автомобіля з класичною системою, між «незаземленими» контактами групи К2.1 реле К2 и виводом переривника потрібно включити конденсатор ємністю 10 мкФ.

Також доцільно розглянути функціонування електронних ключів до системи запалення та до сирени. Отже, після того як відбудеться замикання хоча б одного із пари контактів SF1 чи SF2, то високий рівень сигналу на вході RB4 заміниться низьким, в результаті чого мікроконтролер у взаємодії з програмою установить високий рівень сигналів на виходах RA0 та RA1. Після цього миттєво відкриються транзистори VT3 і VT4, а контакти К1.1 та реле К1 ввімкнуть тривожну сирену, також контактами К2.1 та реле К2 заблокується система запалення автомобіля.

Таким чином функціональна схема дозволяє обрати тип мікроконтролера по критеріям кількості необхідних портів та швидкодії. Детальне обґрунтування вибору функціонально-конструктивних елементів та мікроконтролера, з врахуванням їх електричних параметрів та необхідної напруги живлення +5В здійснено в інших розділах.


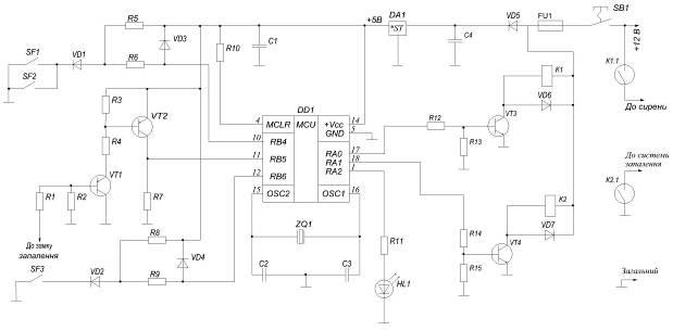
3.3 Опис принципу дії

Принципова схема автомобільного охоронного сигналізатора показана на рисунку (дивіться графічну частину. Схема електрична принципова). Основою конструкції є мікроконтролер DD1 типу PIC16F84A фірми MicroChip. Завдяки цьому пристрій стає дуже простим та економним. Також є можливість вносити додаткові вузли, змінювати часові співвідношення, що дає можливість пристосовуватися до рішення нових задач. Це все можливо завдяки вільному коректуванню програми мікроконтролера.

Охоронний сигналізатор в охоронному режимі споживає тільки 3 мА струму, причому більша частина цього струму протікає через світло діод, який ініціює включення пристрою та перехід його в охоронний режим.

При відкриванні капота і кришки багажного відділення автомобіля, а також при спробі завести автомобіль, сигналізатор спрацьовує миттєво. А при відкритті дверей спрацьовування проходить з семи секундною затримкою. Це пов’язано з тим що сигналізація вмикається скритим кнопковим вмикачем. Тобто протягом цих семи секунд власних автомобіля зможе не поспішаючи вимкнути чи ввімкнути сигналізацію, і закрити на автомобілі дверці.

Принципова схема автомобільного охоронного сигналізатора на мікроконтролері також приведе на рис. 3.4.

Пристрій включають прихованим кнопковим вимикачем SB1. Діод VD5 захищає мікросхеми DA1 і DD1 від підключення до джерела живлення в неправильній полярності. Контролер DD1 живиться стабілізованою напругою 5В, що знімається з виходу стабілізатора DA1. Конденсатори С1 ­– С4 це фільтри ланцюга живлення.

Рис. 3.4. Принципова схема автомобільного охоронного сигналізатора

Після подачі напруги живлення включається тактовий генератор мікроконтролера з кварцовим резонатором ZQ1, після чого мікроконтролер починає виконувати програму, записану в його запам’ятовуючому пристрої. Всі часові затримки реалізуються програмно і є циклом з відніманням одиниці з константи, що знаходиться в пам'яті контролера.

Після закінчення 15 секунд програма дозволяє виконання переривань від зміни напруги на виходах 10, 11 і 12 – сигналізатор входить в режим охорони. Для візуального контролю входження в цей режим передбачений світлодіод HL1. Він включається у момент закінчення п’ятнадцяти секундної затримки.

У охоронному режимі енергоспоживання мікроконтролера знижується, але зміна напруги на будь-якому з входів RB4–RB6 негайно його активізує. Коли кришка багажника і капот закриті, контакти датчиків-виключателелів SF1 і SF2 розімкнені, на вході RB4 діє високий рівень.

Як тільки відбудеться замикання хоч би однієї з пар контактів SF1 і SF2, високий рівень на вході RB4 зміниться низьким, мікроконтролер відповідно до програми встановить високий рівень на виходах RA0 та RA1, відкриються транзистори VT3 та VT4. В результаті контактами К1.1 реле К1 включається тривожна сирена і контактами К2.1 реле К2 блокується система запалення автомобіля.

Через одну хвилину всі реле повертаються в початковий стан і контролер перевіряє стан сторожових датчиків. Якщо причина виникнення тривоги усунена, сигналізатор переходить в охоронний режим, а якщо ні, то через 30 секунд знову включається сирена і блокується система запалення – цикл повторюється.

Контакти SF1 і SF2 - це мікровимикачі, змонтовані на кришці багажника і капоті. Контакти повинні замикатися при відкритті. Так само працює і пара контактів SF3 – це контакти які вмонтовані у дверці автомобіля (на схемі зображений тільки один з них).

Базовий ланцюг транзистора VT1 підключають до того контакту замку запалення, на якому при повороті ключа в положення «Увімкнено» з'являється напруга бортової мережі.

3.4 Електричні розрахунки

Проведемо наближений розрахунок споживаної потужності пристрою. Оскільки основними споживачами електричного струму є мікросхеми, то наближено розрахувати споживану потужність можна за формулою:

, (3.1)

де - споживана потужність -ї мікросхеми.

(3.2)

де U - споживана напруга живлення.

де - споживаний струм -ї мікросхеми.

Оскільки потужність дискретних елементів не є високою, в даному випадку нею можна знехтувати. Проведемо розрахунки лише для інтегральних елементів. В даному пристрої таких елементів 3: інтегральний стабілізатор – DА1, світловий індикатор HL1 та мікроконтролер DD1.

Таким чином, повна формула потужності матиме вигляд:

(3.3)

Вибрані нами інтегральні елементи, за своєю технічною документацією мають потужність споживання : DА1 – 0,4Вт , HL1 – 0.15Вт та DD1 – 0,125Вт . Тому можемо записати, що загальна потужність споживання буде рівна:

Вт (3.4)

4. РОЗРАХУНОК НАДІЙНОСТІ

Надійність апаратури визначається надійністю та кількістю використаних в них елементів та умовами їх експлуатації. Так як надійність є одним з основних параметрів виробу, то, проектуючи апаратуру, надійність слід оцінювати поряд з іншими параметрами і на основі цих розрахунків робити висновки про правильність вибраної схеми та конструкції виробу.

На етапі проектування, коли ще точно не визначені режими роботи схеми, проводиться орієнтовний розрахунок, котрий задається орієнтовними даними, які визначають умови роботи. Такий розрахунок виконується в даному курсовому проекті. Орієнтовні значення коефіцієнтів навантаження приведені як довідникові дані в таблиці 4.4. (див. додаток 4) В таблиці 4.1. (див. додаток 5) приведені значення інтенсивності відмов елементів схеми при номінальному значенні впливу зовнішніх факторів. Вплив на надійність апаратури фактичного значення зовнішніх факторів враховують при розрахунках параметрів надійності, вводячи коефіцієнти впливу (див. таблиці 4.2., 4.3., 4.5. додаток 4).

Якщо отримані в результаті розрахунку параметри надійності не відповідають вимогам, то слід проаналізувати можливість підвищення надійності за рахунок полегшення режимів або використання більш надійних типів елементів. Зазвичай таким методом удається підвищити надійність виробу не більш, ніж у два – три рази. При проектуванні апаратури, яка містить значну кількість елементів, у ряді випадків розраховане значення надійності набагато відрізняється від того, котре задано. В таких випадках застосовують резервування. При резервуванні середнє напрацювання на відмову та ймовірність безвідмовної роботи буде більшою, ніж в аналогічного нерезервованого виробу, так як при виході з ладу основного пристрою продовжують функціонувати резервні. Надійність апаратури потрібно розраховувати на всіх етапах проектування: по мірі того, як уточнюються дані про кількість та типи використовуваних елементів, про конкретні умови, в котрих вони працюють, підвищується достовірність отриманих в результаті розрахунку даних.

Інтенсивність відмов і-го елементу в загальному випадку виражається формулою

, (4.1)

де – номінальна інтенсивність відмов, визначається по довідниковим даним;

К1 – коефіцієнт, залежний від тиску, (для наземної апаратури К1 = 1);

К2 – коефіцієнт, залежний від впливу вологості та температури;

К3 і К4 – коефіцієнти, залежні від механічних впливів.

– коефіцієнт, залежний від температури поверхні елемента Т та коефіцієнта навантаження Кн .

Таблиця 4.1 Значення інтенсивності відмов елементів

Найменування і тип елементу 1/год

t ,

0 С

Кн Nj 1/год
1 2 3 4 5 6 7
Мікросхеми:
1 з високою 0,01 40 0,45 1 0,0212868 0,0212868
2 з середньою 0,013 40 0,5 1 0,0276728 0,02767284
3 Конденсатори керамічні 0,15 40 0,7 4 0,319302 1,277208
4 Резистори плівкові 0,03 40 0,6 13 0,0638604 0,8301852
5 Резистори дротяні 0,087 40 0,5 2 0,1851951 0,37039032
6 Запобіжники 0,5 40 0,5 1 1,06434 1,06434
7 Діоди кремнієві 0,2 40 0,55 7 0,425736 2,980152
8 Світлодіоди 0,2 40 0,55 1 0,425736 0,425736
9 Транзистори кремнієві 0,5 40 0,5 4 1,06434 4,25736
10 Резонатор кварцовий 1,1 40 0,6 1 2,341548 2,341548
11 Реле 0,5 40 0,6 2 1,06434 2,12868
12 Кнопка 0,07 40 0,8 1 0,1490076 0,1490076
13 Пайка 0,01 40 0,5 90 0,0212868 1,915812
14 Плата друкована 0,01 40 0,5 1 0,0212868 0,0212868

Згідно таблиці 4.1 знаходимо інтенсивність відмов виробу, що проектується:

1/год (4.2)

Середній термін часу до першої відмови

Тсер =1/λвир = =годин(4.3)

Таким чином, одержане значення безвідмовної роботи (у роках), враховуючи, що рік має 365 днів:

Тсер =років.

(4.4)

Для побудови графіка залежності експоненційного закону надійності на проміжку часу tр =0…80 тис. годин розбиваємо вісь часу на інтервали по 10 тис. годин. Підставивши числові значення часу в формулу (4.4), проводимо розрахунок ймовірності безвідмовної роботи. Результати розрахунків зведені в табл. 4.2.

Таблиця 4.2 Імовірності безвідмовної роботи пристрою

Рс (t) 1 0,837 0,706 0,586 0,491 0,410 0,343 0,287 0,241 0,201
t, тис. год. 0 10 20 30 40 50 60 70 80 90

Рис. 4.1. Імовірність безвідмовної роботи пристрою.

По даним табл. 4.2 побудований графік ймовірності безвідмовної роботи, який приведений на рис.4.1.

Висновки

В результаті виконання курсового проекту були розроблені структурна, функціональна та принципова електричні схеми автомобільного охоронного сигналізатора на мікроконтролері PIC16F84A. Була наведена архітектура використаного мікроконтролера та опис основних можливостей. Також були описані аналоги пристрою, а саме автомобільний охоронний сигналізатор на транзисторах та електронний автосторож. На основі цих аналогів був створений автомобільний охоронний сигналізатор, на базі мікроконтролера, який сприяє збільшенню можливостей пристрою.

Спроектований пристрій має високі експлуатаційні технічні характеристики та показники надійності. Розрахунковий час безвідмовної роботи складає 6,4 років.

В зв‘язку з високими показниками спроектованого пристрою порівняно з аналогами його можна рекомендувати для впровадження у виробництво.

ЛІТЕРАТУРА

1. Энергетическая электроника. Справочное пособие: Пер. с нем./под ред. В.А. Бобунцова.М: Энергоатомиздат, 1978

2. Яценков В.С. Микроконтролеры Microchip. Практическое руководство – М.:Горячая линия, 2002–296с.,ил.

3. Нефедов А.В. Интегральные микросхемы и их зарубежные аналоги:Справочник.–М.: ИП Радиософт.–512с.,ил.

4. Хвощ С.Т. Микропроцесоры и микроЭВМ в системах автоматического управления: Справочник.–Л.: Машин остроение,1987–640 с.ил.

5. Пацюра И.В., Корнейчук В.И,, Довбыш Л.В. Надёжность электронных систем.К.:Свит.1988–192с.

6. Гоис Д.П. Применение микропроцесоров в измерительной апаратуре. М.: "Радио и связь",1990–540с.

7. Магжаров Т.Б. Надёжность больших интегральных схем.М.:"Радио и связь", 1987.–243с.

8. www.prosignalki.ru/p145.html - Практические схемы автомобильных охранных устройств.

9. Мішустін В.О. Методічні вказівки до курсу "Електронні обчислювальні машини та мікропроцесорні системи" УжДІІЕП,1999,38с.

10. Справочник по среднему семейству микроконтроллеров PICmicroTM . M.: ООО «Микро-Чип», 2002, 601с.

11. www.microchip.ru – ООО «Микро-Чип».

12. http://kazus.ru/articles/294.html – Стабилизаторы напряжения серии КР1157 .

13. http://cxem.net/avto/alarm/alarm19.php


ДОДАТКИ

Додаток 1.

Рис. 1.1. Принципова схема охоронного пристрою на транзисторах.[8]

Додаток 2.

Рис. 2.1. Інтегральний стабілізатор на ІМС типу KP1157EH502A.[12]


Додаток 3.

Рис.3.1. Основна печатна плата та схема розміщення елементів [13] .

Оценить/Добавить комментарий
Имя
Оценка
Комментарии:
Привет студентам) если возникают трудности с любой работой (от реферата и контрольных до диплома), можете обратиться на FAST-REFERAT.RU , я там обычно заказываю, все качественно и в срок) в любом случае попробуйте, за спрос денег не берут)
Olya07:26:18 25 августа 2019
.
.07:26:17 25 августа 2019
.
.07:26:16 25 августа 2019
.
.07:26:15 25 августа 2019
.
.07:26:15 25 августа 2019

Смотреть все комментарии (14)
Работы, похожие на Курсовая работа: Автомобільний охоронний сигналізатор на мікроконтролері

Назад
Меню
Главная
Рефераты
Благодарности
Опрос
Станете ли вы заказывать работу за деньги, если не найдете ее в Интернете?

Да, в любом случае.
Да, но только в случае крайней необходимости.
Возможно, в зависимости от цены.
Нет, напишу его сам.
Нет, забью.



Результаты(286332)
Комментарии (4153)
Copyright © 2005-2021 HEKIMA.RU [email protected] реклама на сайте