Реферат студента пятого курса З/О Антонова Александра Михайловича
Донецкий национальный университет
Донецк, 2009
PIN-диод - разновидность диода, в котором между областями электронной (n) и дырочной (p) проводимости находится собственный (нелегированный, англ. intrinsic) полупроводник (i-область). p и n области как правило легируются сильно, так как они часто используются для омического контакта к металлу.
Широкая нелегированная i-область делает pin-диод плохим выпрямителем (обычное применение для диода), но с другой стороны это позволяет использовать его в аттенюаторах (ослабителях сигнала), быстрых переключателях, фотодетекторах, а также в высоковольтной электронике.
Как правило PIN-диод предназначен для работы в сантиметровом диапазоне волн (СВЧ).
Функциональная структура pin-диода
Характерные качества pin-диода проявляются при работе в режиме сильной инжекции, когда i-область заполняется носителями заряда из сильнолегированных n+ и p+ областей, к которым прикладывается прямое смещение напряжения. pin-диод функционально можно сравнить с ведром воды с отверстием сбоку - как только ведро наполняется до уровня отверстия - оно начинает протекать. Точно так же и диод начинает пропускать ток, как только заполнится носителями заряда i-область.
Из-за того, что в i-области очень низкая концентрация носителей заряда, там практически отсутствуют процессы рекомбинации во время инжекции. Но в режиме прямого смещения концентрация носителей заряда на несколько порядков превышает собственную концентрацию.
На низких частотах для pin-диода справедливы те же уравнения, что и для обычного. На высоких частотах pin-диод ведет себя как практически идеальный резистор - его вольт-амперная характеристика (ВАХ) линейна даже для очень большого значения напряжения. На высоких частотах в i-области находится большое количество накопленного заряда, который позволяет диоду работать. На низких частотах заряд в i-области рекомбинирует и диод выключается.
Высокочастотное сопротивление обратно пропорционально постоянному току, протекающему через pin-диод. Таким образом, можно варьировать значение сопротивления в широких пределах - от 0.1 Ом до 10КОм - меняя постоянную составляющую тока.
Большая ширина i-области также означает, что pin-диод имеет небольшую ёмкость при обратном смещении.
Области пространственного заряда (ОПЗ) в pin-диоде практически полностью находятся в i-области. По сравнению с обычными, pin-диод имеет значительно большую ОПЗ, границы которой незначительно меняются в зависимости от приложенного обратного напряжения. Таким образом увеличивается объем полупроводника, где могут быть образованы электронно - дырочные пары под воздействием излучения (например, оптического - фотона). Некоторые фотодетекторы, такие как pin-фотодиоды и фототранзисторы (в которых переход база-коллектор является pin-диодом), используют pin-переход для реализации функции детектирования.
При проектировании pin-диода приходится искать компромисс: с одной стороны, увеличивая величину i-области (а соответственно и количество накопленного заряда) можно добиться резистивного поведения диода на более низких частотах, но с другой стороны, при этом для рекомбинации заряда и перехода в закрытое состояние потребуется большее время. Поэтому как правило pin-диоды каждый раз проектируются под конкретное приложение.
Вольт-амперная характеристика.
При моделировании процессов протекания тока в p-i-n- диодах, как правило, используют следующие допущения: ступенчатость распределения примесей на границах p-i и p-n-переходов; независимость подвижности и времени жизни носителей заряда от их концентрации; одномерность геометрии диодов.
P-i-n- диоды, предназначающиеся для высокоскоростной модуляции СВЧ-мощности, обычно имеют тонкую базy: w<Li, где Li – диффузионная длина носителей заряда в i- области. Плотность, прямого тока колеблется от десятков до тысяч А/см2. В этом диапазоне плотностей тока коэффициенты инжекции переходов существенно отличаются от единицы, т.е. происходит инжекция основных носителей заряда из базы в низкоомные области p-i-n-структур. Это приводит к тому, что неравновесные носители заряда накапливаются не только в i- области, но и в контактных областях. В большинстве случаев заряд контактных областей значительно меньше заряда, накапливаемого в базе.. Однако рекомбинационные процессы в этих областях могут определять вид ВАХ p-i-n-диода.
Неидеальность переходов характеризуется добротностями Вp и Вn, которые являются сложными функциями параметров р - и n - контактных областей и напряжения на переходах. С увеличением напряжения добротность переходов падает. К снижению добротности приводит также нерезкость реальных p-i- и i-n - переходов и наличие в них значительных концентраций рекомбинационных центров.
ВАХ pin диода.
Применение PIN-диодов.
pin-диоды как правило используются как переключатели в радио - и СВЧ трактах, аттенюаторы и фотодетекторы.
По области применения pin-диоды подразделяют на:
- смесительные (например: 2А101 - 2А109);
- детекторные (например: 2А201 - 2А203);
- параметрические (например: 1А401 - 1А408);
- переключательные и ограничительные (например: 2А503 - 2А524);
- умножительные и настроечные (например: 2А601 - 2А613);
- генераторные (например: 3А703, 3А705).
Радиочастотные (РЧ) и СВЧ-переключатели.
При нулевом или обратном смещении pin-диод имеет низкую ёмкость. Ёмкость малой величины не пропускает высокочастотный сигнал. При прямом смещении и токе 1мА типичный pin-диод имеет сопротивление порядка 1 Ом, что делает его хорошим проводником в РЧ-тракте. Таким образом, pin-диод может использоваться в качестве хорошего РЧ- и СВЧ-переключателя.
РЧ реле также используются как переключатели, однако с меньшей скоростью (время переключения ~10мс), в то время, как pin-диоды - значительно быстрее (1мс).
Ёмкость выключенного дискретного pin-диода составляет ~1пФ. На частоте 320МГц реактивное сопротивление такой емкости ~500Ом. В системах, рассчитанных на 50 Ом, ослабление сигнала будет около 20дБ, что в некоторых приложениях не достаточно. В приложениях, требующих большей изоляции переключатели каскадируются - каскад из 3-х диодов дает ослабление в 60 дБ.
РЧ и СВЧ управляемые аттенюаторы.
Меняя ток через pin-диод можно быстро изменить реактивное сопротивление.
На высоких частотах сопротивление pin-диода обратно пропорционально силе тока. Соответственно, pin-диод может использоваться как управляемый аттенюатор, например, в схемах амплитудных модуляторов и сдвига уровня.
pin-диоды могут использоваться, например, как мостовой или шунтирующий резистор в Т-мостовой схеме аттенюатора.
Ограничители.
pin-диоды иногда используются для защиты устройств по входам при высокочастотных измерениях. Если входной сигнал мал и находится в области допустимых значений, то pin-диод как малая ёмкость вносит минимальные искажения. При увеличении сигнала и выходе его за допустимые рамки pin-диод начинает проводить и становится резистором, шунтирующим сигнал на «землю».
Фотодетекторы.
pin-диод может использоваться в сетевых картах и коммутаторах для волоконно-оптических кабелей. В этих приложениях pin-диод используется как фотодиод.
В качестве фотодетектора pin-диод работает при обратном смещении. При этом он закрыт и не пропускает ток (за исключением незначительного тока утечки Is). Фотон входит в i-область, порождая образование электронно-дырочных пар. Носители заряда, попадая в электрическое поле ОПЗ, начинают двигаться к высоколегированным областям, создавая электрический ток, который может быть детектирован внешней цепью. Проводимость диода зависит от длины волны, интенсивности и частоты модуляции падающего излучения.
Величина обратного напряжения может достигать больших значений, при этом большее напряжение создает большее поле, которое вытягивает носители из ОПЗ i-области более быстро.
Некоторые детекторы могут использовать эффект лавинного умножения носителей заряда.
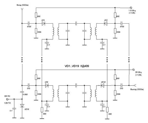
Одним из узлов любительского трансивера является блок диапазонных полосовых фильтров (ДПФ). При изготовлении самодельного трансивера я выбрал схему ДПС с коммутацией на pin-диодах. Ниже представлена схема девятидиапазонного полосового фильтра:

Если подать напряжение +12 В на вывод 1, 8 МГц, то через диоды VD1 и VD10 потечет ток около 10 мА (определяется сопротивлением 680 Ом в делителях). Сигнал с антенны через диод VD1 поступает на катушку связи, проходит полосовой фильтр 1, 8 МГц и поступает на смеситель. Остальные диоды электронного переключателя VD2...VD9 и VD11...VD18 закрыты обратным напряжением (около +6 В), возникающим на резисторах-делителей напряжение. Эта схема позволяет обойтись только положительным напряжением.
Подобный переключатель обеспечивает развязку между отдельными полосовыми фильтрами более 50 дБ. Потери сигнала при использовании катушек диаметром 5...8 мм составляют 8...10 дБ. Потери можно несколько снизить, если увеличить прямой ток через диоды, использовать катушки большего диаметра или ввести усилитель высокой частоты для компенсации потерь.
Антенный переключатель выполнен на диоде VD19. При приеме напряжение на диоде равно 0 В.
Oн закрыт, и сигнал со входа проходит через один из полосовых фильтров. При передаче напряжением +12 В диод VD19 открывается и тем самым шунтирует вход. В этом случае сигнал в приемный тракт не проходит.
Список литературы:
1. Бунин С.Г., Яйленко Л.П. Справочник радиолюбителя коротковолновика. - К.: Технikа, 1978.
2. Горшков Б.И. Элементы радиоэлектронных устройств. Справочник. - М.: Радио и связь, 1988.
|